Witam.
Nie mogę uruchomić silnika. Po odłączeniu rurki paliwa od pompy wysokiego ciśnienia - nie dochodzi paliwo.
Stąd moje podejrzenie - nie działa pompa paliwa lub zapchany filtr.
Chciałem spytać czy pompka paliwa znajduje się w tej samej obudowie co filtr paliwa - ten koło zbiornika paliwa?
W starszych modelach pompka znajdowała się w baku z dostępem po uniesieniu tylnej kanapy, u mnie tego otworu wogóle nie ma.
Stąd prośba o pomoc czy poszłem dobrym tropem. Czy trzeba wymienić całą tę obudowę z pompką czy jest możliwość wymiany tylko silnika pompy.
Pozdrawiam.
Aveo T300 1,3 Diesel 95km - gdzie pompa paliwa?
-
- Świeżak
- Posty: 15
- Rejestracja: 1 wrz 2023, o 17:23
- Reputacja: 0
- Imię: Rafał
- Samochód: Aveo T300
- Silnik: 1.3, 95KM
- Lokalizacja: Kalna
- Kontakt:
- bubu1769
- Administrator
- Posty: 6870
- Rejestracja: 5 wrz 2018, o 16:40
- Reputacja: 457
- Imię: Bartłomiej
- Samochód: Aveo T250
- Silnik: 1.4 101KM
- Inny samochód: Orlando 1.4T, Meriva A 1.8
- Lokalizacja: Kalisz
- Kontakt:
Re: Aveo T300 1,3 Diesel 95km - gdzie pompa paliwa?
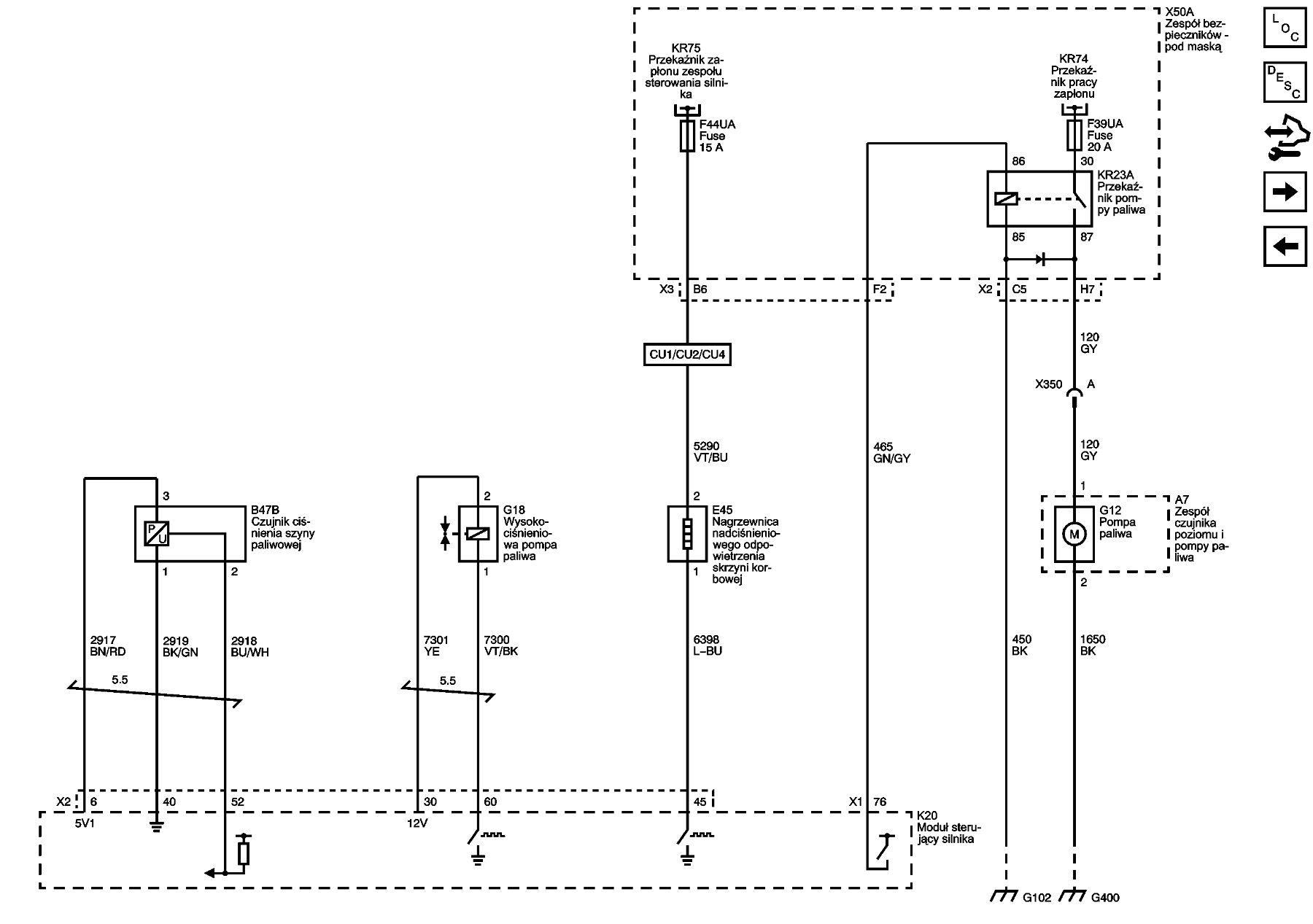
Były sprawdzane bezpiecznik F39UA i przekaźnik KR23A?
Pompa wstępna znajduje się w zbiorniku niestety dostęp do zespołu pompy jest dopiero po demontażu zbiornika.
Można jeszcze sprawdzić filtra paliwa który znajduje się od spodu przy zbiorniku
-
- Świeżak
- Posty: 15
- Rejestracja: 1 wrz 2023, o 17:23
- Reputacja: 0
- Imię: Rafał
- Samochód: Aveo T300
- Silnik: 1.3, 95KM
- Lokalizacja: Kalna
- Kontakt:
Re: Aveo T300 1,3 Diesel 95km - gdzie pompa paliwa?
Bezpieczniki i przekaźnik sprawdzone. Wydaje mi się że nie słyszę pracy pompki.
Czy jak wyjmę filtr paliwa i z otwartą obudową przekręcę kluczyk powinno zacząć przelewać się paliwo?
Dobrze myślę?
Dodano po 1 minucie 51 sekundach:
Jeszcze chciałem zapytać czy jak ma około 3/4 zbiornika paliwa to po odkręceniu filtra paliwo będzie ściekać samoczynnie przez obudowę filtra czy nie. Bo widzę że ten filtr jest do góry nogami - pierwszy raz tak mam w samochodzie.
Czy jak wyjmę filtr paliwa i z otwartą obudową przekręcę kluczyk powinno zacząć przelewać się paliwo?
Dobrze myślę?
Dodano po 1 minucie 51 sekundach:
Jeszcze chciałem zapytać czy jak ma około 3/4 zbiornika paliwa to po odkręceniu filtra paliwo będzie ściekać samoczynnie przez obudowę filtra czy nie. Bo widzę że ten filtr jest do góry nogami - pierwszy raz tak mam w samochodzie.
- bubu1769
- Administrator
- Posty: 6870
- Rejestracja: 5 wrz 2018, o 16:40
- Reputacja: 457
- Imię: Bartłomiej
- Samochód: Aveo T250
- Silnik: 1.4 101KM
- Inny samochód: Orlando 1.4T, Meriva A 1.8
- Lokalizacja: Kalisz
- Kontakt:
Re: Aveo T300 1,3 Diesel 95km - gdzie pompa paliwa?
W jaki sposób sprawdzałeś bezpieczniki i przekaźniki?
Napięcie dochodzi do gniazda przekaźnika pompy paliwa?
Można by spróbować wstawić zamiast przekaźnika zwore i zobaczyć czy wtedy będzie słychać pompę.
Po odkręceniu filtra powinno zlecieć paliwo tylko z niego.
Napięcie dochodzi do gniazda przekaźnika pompy paliwa?
Można by spróbować wstawić zamiast przekaźnika zwore i zobaczyć czy wtedy będzie słychać pompę.
Po odkręceniu filtra powinno zlecieć paliwo tylko z niego.
-
- Świeżak
- Posty: 15
- Rejestracja: 1 wrz 2023, o 17:23
- Reputacja: 0
- Imię: Rafał
- Samochód: Aveo T300
- Silnik: 1.3, 95KM
- Lokalizacja: Kalna
- Kontakt:
Re: Aveo T300 1,3 Diesel 95km - gdzie pompa paliwa?
Bezpiecznik sprawdziłem multimetrem, przekaźnik multimetrem oraz podłączająć napięcie 12V do cewki przekaźnika.
Dodatkowo zamieniłem przekaźnik od pompy na inny - bodajże od świateł bo jest taki sam.
No nic muszę szukać kanału i zdjąć zbiornik paliwa.
Dodatkowo zamieniłem przekaźnik od pompy na inny - bodajże od świateł bo jest taki sam.
No nic muszę szukać kanału i zdjąć zbiornik paliwa.
- bubu1769
- Administrator
- Posty: 6870
- Rejestracja: 5 wrz 2018, o 16:40
- Reputacja: 457
- Imię: Bartłomiej
- Samochód: Aveo T250
- Silnik: 1.4 101KM
- Inny samochód: Orlando 1.4T, Meriva A 1.8
- Lokalizacja: Kalisz
- Kontakt:
Re: Aveo T300 1,3 Diesel 95km - gdzie pompa paliwa?
Sprawdź jeszcze dokładnie tą skrzynkę bezpieczników, czy napięcie dochodzi do przekaźnika i czy wychodzi na przewód do pompy.
Awarie skrzynki bezpieczników też się zdarzają a warto najpierw wyeliminować to do czego jest łatwy dostęp aniżeli później niepotrzebnie zbiornik ściągać.
Awarie skrzynki bezpieczników też się zdarzają a warto najpierw wyeliminować to do czego jest łatwy dostęp aniżeli później niepotrzebnie zbiornik ściągać.
Kto jest online
Użytkownicy przeglądający to forum: Obecnie na forum nie ma żadnego zarejestrowanego użytkownika i 1 gość