Chevrolet alero
-
- Świeżak
- Posty: 6
- Rejestracja: 4 kwie 2022, o 12:59
- Reputacja: 0
- Imię: Mirek
- Samochód: Chevrolet alero
- Silnik: 2400
- LPG: Tak Stagg
- Lokalizacja: Ruda Śląska
- Kontakt:
Chevrolet alero
Witam. Kupiłem Alero 2.4, i po postoju około 3 tygodni w garażu nieda się odpalić, kupiłem nowy aku, nic nie dało. Podczas kręcenia gasną kontrolki i nic. Kupiłem cewki wraz z modułem, bez zmian. Mechanik u którego stoji rozkłada ręce. Macie jakiś pomysł co się mogło stać. Pozdrawiam
- bubu1769
- Administrator
- Posty: 6869
- Rejestracja: 5 wrz 2018, o 16:40
- Reputacja: 457
- Imię: Bartłomiej
- Samochód: Aveo T250
- Silnik: 1.4 101KM
- Inny samochód: Orlando 1.4T, Meriva A 1.8
- Lokalizacja: Kalisz
- Kontakt:
Re: Chevrolet alero
Inna jego nazwa to Oldsmobile Alero?
Który dokładnie to jest rocznik?
Trzeba by zacząć od sprawdzenia podstaw, czy jest iskra i czy układ paliwowy jest sprawny, to da nam wskazówkę w którym kierunku można by iść.
Który dokładnie to jest rocznik?
Trzeba by zacząć od sprawdzenia podstaw, czy jest iskra i czy układ paliwowy jest sprawny, to da nam wskazówkę w którym kierunku można by iść.
-
- Świeżak
- Posty: 6
- Rejestracja: 4 kwie 2022, o 12:59
- Reputacja: 0
- Imię: Mirek
- Samochód: Chevrolet alero
- Silnik: 2400
- LPG: Tak Stagg
- Lokalizacja: Ruda Śląska
- Kontakt:
Re: Chevrolet alero
Tak, Oldsmobile,a rok 2002
Dodano po 19 minutach 13 sekundach:
Pisałem ale chyba nie przeszło,układ paliwowy Ok,iskra jest ale mechanik twierdzi że słaba( dlatego te cewki i moduł)Jest dziwne że podczas kręcenia rozrusznikiem gasną kontrolki,a normalnie świecą.lmobilaiser się uzbraja (gaśnie dioda)Wygląda tak jakby go coś odcinało.
Dodano po 19 minutach 13 sekundach:
Pisałem ale chyba nie przeszło,układ paliwowy Ok,iskra jest ale mechanik twierdzi że słaba( dlatego te cewki i moduł)Jest dziwne że podczas kręcenia rozrusznikiem gasną kontrolki,a normalnie świecą.lmobilaiser się uzbraja (gaśnie dioda)Wygląda tak jakby go coś odcinało.
- bubu1769
- Administrator
- Posty: 6869
- Rejestracja: 5 wrz 2018, o 16:40
- Reputacja: 457
- Imię: Bartłomiej
- Samochód: Aveo T250
- Silnik: 1.4 101KM
- Inny samochód: Orlando 1.4T, Meriva A 1.8
- Lokalizacja: Kalisz
- Kontakt:
Re: Chevrolet alero
Może to coś tak prozaicznego jak kiepska masa?
Warto to też sprawdzić.
Co ciekawe jak szukam serwisówki to silnik 2.4 mam w rocznikach 1999-2001, w 2002-204 jest 2,2.
Możesz podać numer VIN, będzie mi łatwiej znaleźć informacje?
Warto to też sprawdzić.
Co ciekawe jak szukam serwisówki to silnik 2.4 mam w rocznikach 1999-2001, w 2002-204 jest 2,2.
Możesz podać numer VIN, będzie mi łatwiej znaleźć informacje?
-
- Świeżak
- Posty: 6
- Rejestracja: 4 kwie 2022, o 12:59
- Reputacja: 0
- Imię: Mirek
- Samochód: Chevrolet alero
- Silnik: 2400
- LPG: Tak Stagg
- Lokalizacja: Ruda Śląska
- Kontakt:
Re: Chevrolet alero
Masy żeśmy sprawdzali(te które są dostępne) na oko ok. VIN. 1G1NL52T11C159149. Pisałem do poprzedniego wł. czy miał taki przypadek stwierdził że nie, a miał go 14 lat.
- bubu1769
- Administrator
- Posty: 6869
- Rejestracja: 5 wrz 2018, o 16:40
- Reputacja: 457
- Imię: Bartłomiej
- Samochód: Aveo T250
- Silnik: 1.4 101KM
- Inny samochód: Orlando 1.4T, Meriva A 1.8
- Lokalizacja: Kalisz
- Kontakt:
Re: Chevrolet alero
W końcu miałem chwile przysiąść i przejrzeć schematy.
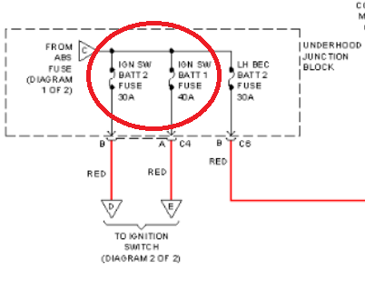
Skoro przy próbie rozruchu gaśnie licznik i jest słaba iskra to warto by sprawdzić napięcia, na postoju i podczas rozruchu, na tych dwóch bezpiecznikach, bo to one odpowiadają za zasilanie układu zapłonowego oraz instrumentów.
Skoro przy próbie rozruchu gaśnie licznik i jest słaba iskra to warto by sprawdzić napięcia, na postoju i podczas rozruchu, na tych dwóch bezpiecznikach, bo to one odpowiadają za zasilanie układu zapłonowego oraz instrumentów.
- Załączniki
-
- Ewd_21 - Car Service Repair Manuals and Wiring Diagram.pdf
- (400.96 KiB) Pobrany 134 razy
-
- Wymiatacz
- Posty: 1583
- Rejestracja: 6 paź 2016, o 17:13
- Reputacja: 90
- Imię: Jan
- Samochód: ORLANDO 2.0l VCDI
- Silnik: 163KM, diesel
- Lokalizacja: Łódź
Re: Chevrolet alero
Może rozrusznik siedzi i zabiera prąd, jak to nie jest automat spróbowałbym odpalić go na "pych". 

*Nie jestem mechanikiem samochodowym! 

-
- Świeżak
- Posty: 6
- Rejestracja: 4 kwie 2022, o 12:59
- Reputacja: 0
- Imię: Mirek
- Samochód: Chevrolet alero
- Silnik: 2400
- LPG: Tak Stagg
- Lokalizacja: Ruda Śląska
- Kontakt:
Re: Chevrolet alero
Chyba się wyjaśniło ale do optymizmu nie mam powodu. Przeskoczył rozrząd, napinacz nie napina. Po ściągnięciu pokrywy napinacz był cofnięty a działa tylko na ciśnienie(nie ma w nim sprężynki) Po ustawieniu rozrządu odpalił od strzału ale na wolnych obrotach rzęzi. I teraz pytanie czy uszkodzony napinacz, czy słabe ciśnienie, kontrolka ciśnienia gaśnie, olej nowy 5W 30,auto org. 153tyś przebiegu, ręce opadają. Tym bardziej że coś do tego silnika kupić graniczy z cudem, chyba że masz jakieś namiary. Pozdrawiam
- bubu1769
- Administrator
- Posty: 6869
- Rejestracja: 5 wrz 2018, o 16:40
- Reputacja: 457
- Imię: Bartłomiej
- Samochód: Aveo T250
- Silnik: 1.4 101KM
- Inny samochód: Orlando 1.4T, Meriva A 1.8
- Lokalizacja: Kalisz
- Kontakt:
Re: Chevrolet alero
W kraju może być ciężko ale sądzę że w USA coś się znajdzie.
Jak coś będzie potrzebne to mów, postaramy się pomóc znaleźć.
Jak coś będzie potrzebne to mów, postaramy się pomóc znaleźć.
-
- Świeżak
- Posty: 6
- Rejestracja: 4 kwie 2022, o 12:59
- Reputacja: 0
- Imię: Mirek
- Samochód: Chevrolet alero
- Silnik: 2400
- LPG: Tak Stagg
- Lokalizacja: Ruda Śląska
- Kontakt:
Re: Chevrolet alero
Będę się starał poszukać tego napinacza, gdybyś coś znalazł, napisz.(SILNIK L4 2.4l LD9) Dzięki za zainteresowanie. Pozdrawiam
- bubu1769
- Administrator
- Posty: 6869
- Rejestracja: 5 wrz 2018, o 16:40
- Reputacja: 457
- Imię: Bartłomiej
- Samochód: Aveo T250
- Silnik: 1.4 101KM
- Inny samochód: Orlando 1.4T, Meriva A 1.8
- Lokalizacja: Kalisz
- Kontakt:
Re: Chevrolet alero
Chodzi ci o ten napinacz 24575512?
Tu można by zadzwonić i się zapytać czy są w stanie ściągnąć:
https://superparts.pl/element-napinajac ... ark/506435
Tu jest dostępny, chociaż cena trochę powala:
https://www.amazon.pl/ACDelco-24575512- ... B0055B0KEU
Tu można by zadzwonić i się zapytać czy są w stanie ściągnąć:
https://superparts.pl/element-napinajac ... ark/506435
Tu jest dostępny, chociaż cena trochę powala:
https://www.amazon.pl/ACDelco-24575512- ... B0055B0KEU
-
- Świeżak
- Posty: 6
- Rejestracja: 4 kwie 2022, o 12:59
- Reputacja: 0
- Imię: Mirek
- Samochód: Chevrolet alero
- Silnik: 2400
- LPG: Tak Stagg
- Lokalizacja: Ruda Śląska
- Kontakt:
Re: Chevrolet alero
Witam. Pierwszy niedostępny, a cena drugiego faktycznie trochę wysoka, ale jak trzeba to trzeba. Mój mechanik zasugerował żeby przerobić go na mechaniczny, czyli założyć do środka sprężynę(miejsce jest) ale muszę się jeszcze po konsultować by więcej nie zepsuć niż naprawić, choć na chłopski rozum to ma sens, bo nawet przy słabym kręceniu łańcuch będzie napięty. U mnie przeskoczył właśnie przy słabym aku.Co Ty sądzisz? W każdym bądź razie dzięki za pomoc napiszę jak coś wymyślę. Pozdrawiam
Kto jest online
Użytkownicy przeglądający to forum: Obecnie na forum nie ma żadnego zarejestrowanego użytkownika i 1 gość