CSO - układ do dezaktywacji świateł mijania(skandynawii)
-
- Aktywny
- Posty: 55
- Rejestracja: 29 lis 2014, o 21:26
- Reputacja: 0
- Imię: Michał
- Samochód: cruze
- Silnik:
- Lokalizacja: Wawa
- Kontakt:
Re: CSO - układ do dezaktywacji świateł mijania(skandynawii)
Jakby ktoś był zainteresowany to mam do odsprzedania parę modułów współpracujących z fabrycznym czujnikiem światła. Ostatnio montowałem ledy i popełniłem takie urządzenia. Jak ktoś by chciał gotowca to zapraszam do działu GIEŁDA lub PW ew. jak ktoś by chciał zbudować lub zapoznać się z budową to mogę podesłać materiały. Publikowanie "tutoriala" chyba nie ma sensu bo i barus i wszim prezentowali swoje moduły także nie wiem czy jest sens bo trochę elementów ma więc raczej ktoś ogarnięty z elektroniki go sobie złoży...
- wszim
- Zasłużony dla forum
- Posty: 15495
- Rejestracja: 10 paź 2013, o 22:04
- Reputacja: 146
- Imię: Wojtek
- Samochód: był orlando
- Silnik: 1.8 2H0 141KM (KL7)
- LPG: BRC SQ24
- Inny samochód: toyota RAV4 2.5 hybrid 4x4 222KM
- Lokalizacja: Nowy Sącz
- Kontakt:
Re: CSO - układ do dezaktywacji świateł mijania(skandynawii)
Opowiedz coś więcej, na czym to zbudowałeś, jak działa, ma jakieś tryby etc. Sam jesteś pomysłodawcą czy to jakaś praca zbiorowa ?

-
- Aktywny
- Posty: 55
- Rejestracja: 29 lis 2014, o 21:26
- Reputacja: 0
- Imię: Michał
- Samochód: cruze
- Silnik:
- Lokalizacja: Wawa
- Kontakt:
Re: CSO - układ do dezaktywacji świateł mijania(skandynawii)
Chęć wrzucenia ledów do cruza miałem od dawna ale przez brak czasu i drogi kompletów dedykowanych temat przepadł w czeluściach dnia codziennego:)
W październiku przypadkiem napotkałem tani zestaw za 40$ na ebayu i jak bumerang wrócił temat automatycznego włączania św. mijania.
Ogólnie moja wersja jest hybrydą wersji twojej i barusa gdyż jest cyfrowo analogowy
Docelowo nie robiłem tylko dla siebie ale i dwójki znajomych ale z daleka i chciałem aby histereza przełączania miała prostą redukcje tj. np. zmiana rezystora co może zrobić nie zaznajomiona z elektroniką za bardzo osoba.
I ja również wykształconym elektronikiem nie jestem a hobbysą więc założenie miałem ale z wykonaniem już nie tak dobre.
Finalnie pod fabryczny czujnik światła (5V jasno; 2V ciemno) podłączyłem komparator (LM393) i dzielnik napięcia ok 2.4V histereza jest ok 0,7V. Progi mam ustawione 2,2V i 2.9V. elementem wykonawczym jest uC attiny13 gdyż ja potrzebowałem jedno kliku a znajomy 2 kliku i nie za bardzo wiedziałem jak to rozwiązać "analogowo", dla uC wystarczył prostu kurs bascoma. Układ podpięty "po zapłonie" jak napięcie na czujniku jest powyżej 2,2V to wyłącza św. mijania jak poniżej 2,2V to zostawia włączone św. mijania. Próg przełączenia z mijania na DRL jest 2,9V (można mniej) ale to taka bezpieczna granica.
Moduł jest tani w budowie estetyczny i cichy (brak przekaźników jak u Ciebie) a i progi przełączania łatwo regulować opornikami. Wiadomo prościej było by użyć ADC z uC ale nie jestem jeszcze na tym stopniu wtajemniczenia. Ja zadowolony znajomi również bo dostali podstawki pod rezystory i sobie dopasowali według własnych upodobać prób przełączenia.
W module mam wolny jeszcze jeden pin i planuję wykorzystać go do włączenia świateł jak jest deszcz. Przy dużych ulewach gdzie robi się ciemno jest OK bo czujnik wyłapuje "ciemność" ale w mniejsze deszcze nie, a jak pada deszcz trzeba jeździć na św. mijania. Zastanawiam się tylko czy podłączyć się do przełącznika czy silnika wycieraczek...
W październiku przypadkiem napotkałem tani zestaw za 40$ na ebayu i jak bumerang wrócił temat automatycznego włączania św. mijania.
Ogólnie moja wersja jest hybrydą wersji twojej i barusa gdyż jest cyfrowo analogowy

I ja również wykształconym elektronikiem nie jestem a hobbysą więc założenie miałem ale z wykonaniem już nie tak dobre.
Finalnie pod fabryczny czujnik światła (5V jasno; 2V ciemno) podłączyłem komparator (LM393) i dzielnik napięcia ok 2.4V histereza jest ok 0,7V. Progi mam ustawione 2,2V i 2.9V. elementem wykonawczym jest uC attiny13 gdyż ja potrzebowałem jedno kliku a znajomy 2 kliku i nie za bardzo wiedziałem jak to rozwiązać "analogowo", dla uC wystarczył prostu kurs bascoma. Układ podpięty "po zapłonie" jak napięcie na czujniku jest powyżej 2,2V to wyłącza św. mijania jak poniżej 2,2V to zostawia włączone św. mijania. Próg przełączenia z mijania na DRL jest 2,9V (można mniej) ale to taka bezpieczna granica.
Moduł jest tani w budowie estetyczny i cichy (brak przekaźników jak u Ciebie) a i progi przełączania łatwo regulować opornikami. Wiadomo prościej było by użyć ADC z uC ale nie jestem jeszcze na tym stopniu wtajemniczenia. Ja zadowolony znajomi również bo dostali podstawki pod rezystory i sobie dopasowali według własnych upodobać prób przełączenia.
W module mam wolny jeszcze jeden pin i planuję wykorzystać go do włączenia świateł jak jest deszcz. Przy dużych ulewach gdzie robi się ciemno jest OK bo czujnik wyłapuje "ciemność" ale w mniejsze deszcze nie, a jak pada deszcz trzeba jeździć na św. mijania. Zastanawiam się tylko czy podłączyć się do przełącznika czy silnika wycieraczek...
- Załączniki
-
- P70302-134758.jpg (456.05 KiB) Przejrzano 10497 razy
-
- P70228-215900.jpg (275.06 KiB) Przejrzano 10497 razy
-
- P70228-215627.jpg (277.1 KiB) Przejrzano 10497 razy
-
- schemat.png (33.94 KiB) Przejrzano 10497 razy
- wszim
- Zasłużony dla forum
- Posty: 15495
- Rejestracja: 10 paź 2013, o 22:04
- Reputacja: 146
- Imię: Wojtek
- Samochód: był orlando
- Silnik: 1.8 2H0 141KM (KL7)
- LPG: BRC SQ24
- Inny samochód: toyota RAV4 2.5 hybrid 4x4 222KM
- Lokalizacja: Nowy Sącz
- Kontakt:
Re: CSO - układ do dezaktywacji świateł mijania(skandynawii)

Świetna robota. Bardzo mnie cieszy jak się tematy elektroniczne rozwijają i można z kimś ntt pogadać. Bo w każdym z rozwiązań może wyniknąć coś nowego. W twoim rozwiązaniu można by zastosować jakiś potencjometr do wygodniejszej kalibracji nastaw. Kalibracja analogowa nie jest zła. Wg mnie jest czytelniejsza i mniej skomplikowana niż czysto cyfrowa jaką ja zastosowałem. Sam wpadłem w pułapkę, że na interfejsie dla użytkownika jednej diody LED i klikania przełącznikiem można zwariować gdy się chce za dużo rzeczy ustawiać. Nic bardziej naturalnego dla człowieka niż pokrętło, potencjometr. Ja swój CSO w wersji 2 już tak rozbudowałem, że jak ktoś pyta to muszę sięgać do własnej instrukcji bo nie pamiętam jak to działa.


-
- Aktywny
- Posty: 55
- Rejestracja: 29 lis 2014, o 21:26
- Reputacja: 0
- Imię: Michał
- Samochód: cruze
- Silnik:
- Lokalizacja: Wawa
- Kontakt:
Re: CSO - układ do dezaktywacji świateł mijania(skandynawii)
Założenie było żeby układ był jak najbardziej bezawaryjny i nic dziwnego i nie pożądanego się nie działo dlatego zrezygnowałem z potencjometru i podstawek pod układy. Jedynie złącze jest, ale mocno wchodzi i ma mały zatrzask wiec jest pewność styku. Potencjometr może się przestawić i ogólnie jest bardziej narażony na uszkodzenie. Starałem się wyeliminować każdy "potencjalny" problem. Na początku miałem problem bo ni z gruszki lubiło mi przełączyć tranzystor lub go zablokować nie bardzo wiedziałem co jest a okazało się że komparator ma duży opór wewnętrzy i dotykając palcem lub sama ręka w pobliżu przełączała stan na wyjściu... dlatego dodałem kondensatory na wejścia i wyjście. Na foto nie widać bo lutowałem od spodu smd bo płytka już zrobiona wiec szkoda było wyrzucać. 
W najbliższym czasie jeszcze chce dodać jak pisałem obsługę wycieraczek do modułu aby fabryczny przełącznik się zakurzył
Pogoda sprzyja wiec się będę zastanawiał jak to ugryźć najlepiej.

W najbliższym czasie jeszcze chce dodać jak pisałem obsługę wycieraczek do modułu aby fabryczny przełącznik się zakurzył

- wszim
- Zasłużony dla forum
- Posty: 15495
- Rejestracja: 10 paź 2013, o 22:04
- Reputacja: 146
- Imię: Wojtek
- Samochód: był orlando
- Silnik: 1.8 2H0 141KM (KL7)
- LPG: BRC SQ24
- Inny samochód: toyota RAV4 2.5 hybrid 4x4 222KM
- Lokalizacja: Nowy Sącz
- Kontakt:
Re: CSO - układ do dezaktywacji świateł mijania(skandynawii)
Odnośnie deszczu to chyba podłączanie pod silnik wycieraczek nie jest dobre. Bo każde użycie spryskiwacza załączy światła. I kiedy ma wyłączyć?
A czy układ załącza też św. pozycyjne/postojowe?
A jak rozwiązałeś problem żeby w nocy na zapalonym silniku lub zapłonie zapalić same postojowe?
A czy układ załącza też św. pozycyjne/postojowe?
A jak rozwiązałeś problem żeby w nocy na zapalonym silniku lub zapłonie zapalić same postojowe?

-
- Aktywny
- Posty: 55
- Rejestracja: 29 lis 2014, o 21:26
- Reputacja: 0
- Imię: Michał
- Samochód: cruze
- Silnik:
- Lokalizacja: Wawa
- Kontakt:
Re: CSO - układ do dezaktywacji świateł mijania(skandynawii)
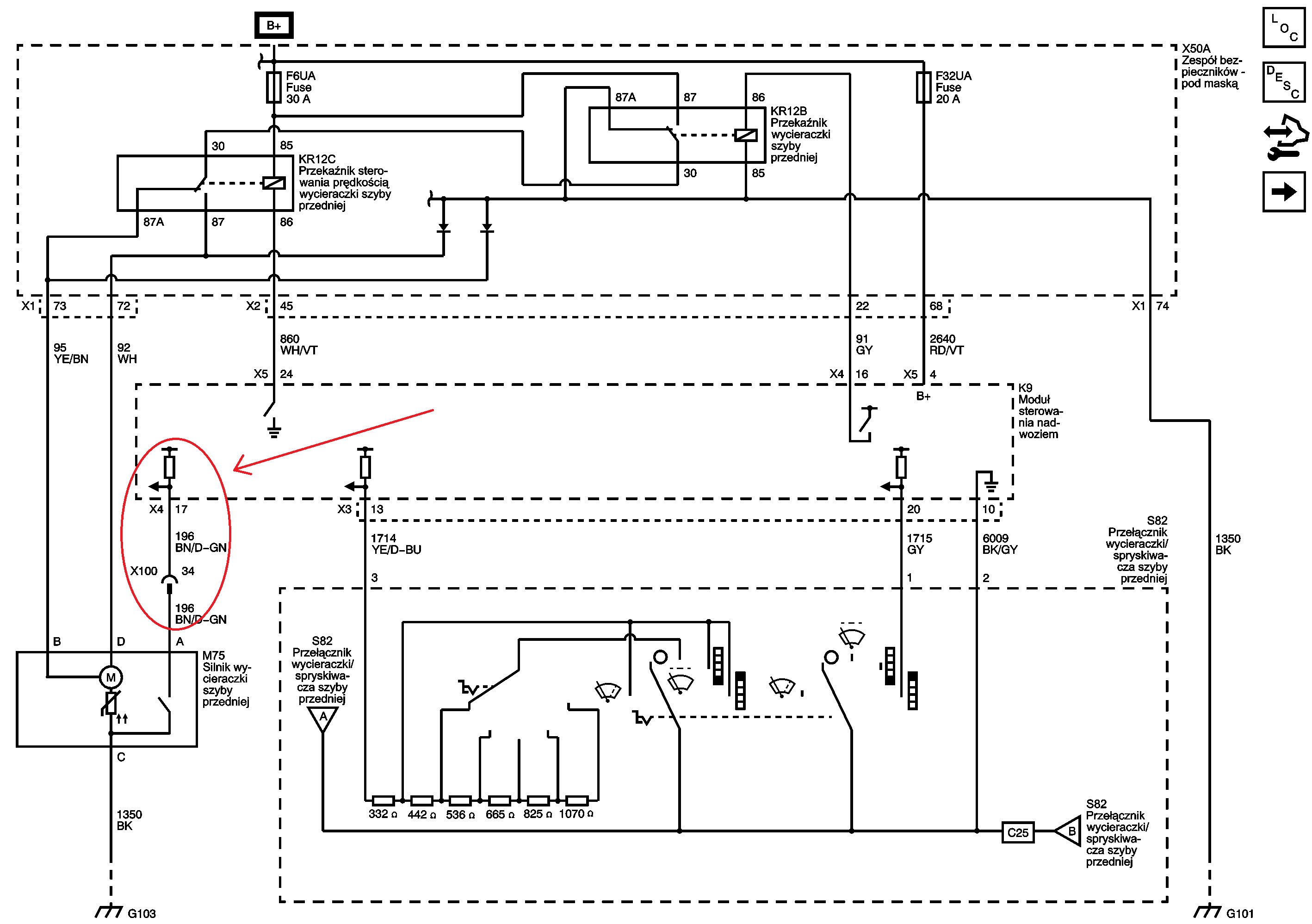
Zastanawia mnie co się dzieje na zaznaczonym pinie, jest to według opisu sygnał "parkowania" wycieraczki. Myślałem nad par 4-5 sek. opóźnieniem aby wyeliminować przemycie szyby spryskiwaczem. Z ciekawości obadam to ale prawdopodobnie odłączę się przez diodę do przełaczniów w trybie AUTO, I i II bieg wycieraczek.
Ręcznie mogę św. postojowe zapalić. U mnie wygląda to tak że jak w złączu przełącznika świateł wszystko jest rozwarte to po zapłonie św. postojowe a przy uruchomionym silniku postojowe +mijania. Jak zwieram pin 5 do masy wyłącza światła i jak zewrę do masy pin 3 na sekunde to włącza postojowe+mijania, natomiast jak trzymam zwarty pin 3 do masy to dopóki jest zwarty świecą same postojowe jak rozewrę to mijania i postojowe. Tak się dzieje jak silnik działa a tylko po przekręceniu kluczyka to czy chwile czy cały czas zwarty pin 3 do masy to tylko postojówki. Także moduł steruje pinami 5 (wyłącz) i 3 (włącz) a po przełączeniu ręcznym mogą w nocy świecić same postojowe.
Ręcznie mogę św. postojowe zapalić. U mnie wygląda to tak że jak w złączu przełącznika świateł wszystko jest rozwarte to po zapłonie św. postojowe a przy uruchomionym silniku postojowe +mijania. Jak zwieram pin 5 do masy wyłącza światła i jak zewrę do masy pin 3 na sekunde to włącza postojowe+mijania, natomiast jak trzymam zwarty pin 3 do masy to dopóki jest zwarty świecą same postojowe jak rozewrę to mijania i postojowe. Tak się dzieje jak silnik działa a tylko po przekręceniu kluczyka to czy chwile czy cały czas zwarty pin 3 do masy to tylko postojówki. Także moduł steruje pinami 5 (wyłącz) i 3 (włącz) a po przełączeniu ręcznym mogą w nocy świecić same postojowe.
- Załączniki
-
- wycieraczki.png (87.84 KiB) Przejrzano 10506 razy
- zzzz
- Wymiatacz
- Posty: 1655
- Rejestracja: 3 gru 2013, o 17:50
- Reputacja: 41
- Imię: Zbyszek
- Samochód: Cruze HB LT+
- Silnik: 1.8
- LPG: BRC
- Lokalizacja: SBE
- Kontakt:
Re: CSO - układ do dezaktywacji świateł mijania(skandynawii)
bardzo fajna i profesjonalna robotawszim pisze:![]()
Świetna robota. Bardzo mnie cieszy jak się tematy elektroniczne rozwijają i można z kimś ntt pogadać. Bo w każdym z rozwiązań może wyniknąć coś nowego. W twoim rozwiązaniu można by zastosować jakiś potencjometr do wygodniejszej kalibracji nastaw. ....

z drugiej strony patrząc Twój pomysł, wszim, jest też jest dobry bo układ wpina się pomiędzy instalację a przełącznik (trzeba tylko dociągnąć przewód z czujnika) co jest właściwie plug and play


- etac
- Prezes
- Posty: 24968
- Rejestracja: 4 sie 2013, o 00:31
- Reputacja: 300
- Imię: Krzysztof
- Samochód: Opel Astra L ST
- Silnik: 1.2T Pure Tech
- LPG: NIE
- Inny samochód: Yamaha X-MAX Tech Max
- Lokalizacja: SBE
- Kontakt:
Re: CSO - układ do dezaktywacji świateł mijania(skandynawii)
Oryginał załącza światła po 4 pełnych ruchach wycieraczek.diament pisze:Zastanawia mnie co się dzieje na zaznaczonym pinie, jest to według opisu sygnał "parkowania" wycieraczki. Myślałem nad par 4-5 sek. opóźnieniem aby wyeliminować przemycie szyby spryskiwaczem. Z ciekawości obadam to ale prawdopodobnie odłączę się przez diodę do przełaczniów w trybie AUTO, I i II bieg wycieraczek.
Ręcznie mogę św. postojowe zapalić. U mnie wygląda to tak że jak w złączu przełącznika świateł wszystko jest rozwarte to po zapłonie św. postojowe a przy uruchomionym silniku postojowe +mijania. Jak zwieram pin 5 do masy wyłącza światła i jak zewrę do masy pin 3 na sekunde to włącza postojowe+mijania, natomiast jak trzymam zwarty pin 3 do masy to dopóki jest zwarty świecą same postojowe jak rozewrę to mijania i postojowe. Tak się dzieje jak silnik działa a tylko po przekręceniu kluczyka to czy chwile czy cały czas zwarty pin 3 do masy to tylko postojówki. Także moduł steruje pinami 5 (wyłącz) i 3 (włącz) a po przełączeniu ręcznym mogą w nocy świecić same postojowe.
Lekcje prywatne są odpłatne, pytania na forum są darmowe
-
- Aktywny
- Posty: 55
- Rejestracja: 29 lis 2014, o 21:26
- Reputacja: 0
- Imię: Michał
- Samochód: cruze
- Silnik:
- Lokalizacja: Wawa
- Kontakt:
Re: CSO - układ do dezaktywacji świateł mijania(skandynawii)
Więc jakoś musi je zliczać...
A jak długo pryskasz szybę spryskiwaczem też załącza po 4 ruchach ? Czy jest na tyle "mądry" że nie załączy jak pompka działa?

- etac
- Prezes
- Posty: 24968
- Rejestracja: 4 sie 2013, o 00:31
- Reputacja: 300
- Imię: Krzysztof
- Samochód: Opel Astra L ST
- Silnik: 1.2T Pure Tech
- LPG: NIE
- Inny samochód: Yamaha X-MAX Tech Max
- Lokalizacja: SBE
- Kontakt:
Re: CSO - układ do dezaktywacji świateł mijania(skandynawii)
samo psiknięcie nie załącza świateł. Dopiero ruch ramion 4 razy załącza światła.
Potem jeśli wycieraczki nie działają przez jakiś czas, a warunek oświetlenia jest spełniony, to światła zostają wyłączone.
Potem jeśli wycieraczki nie działają przez jakiś czas, a warunek oświetlenia jest spełniony, to światła zostają wyłączone.
Lekcje prywatne są odpłatne, pytania na forum są darmowe
-
- Fachman
- Posty: 5139
- Rejestracja: 13 lis 2016, o 20:57
- Reputacja: 45
- Imię: Mariusz
- Samochód: Orlando 1.8 LPG LT+
- Silnik: 1.8 2HO, 141KM Pb
- LPG: BRC SQ24 Genius 1500
- Lokalizacja: Opole
- Kontakt:
Re: CSO - układ do dezaktywacji świateł mijania(skandynawii)
Wojtku potrzebuję twojej pomocy.
Zmontowałem układ twojego pomysłu, ale zamontowałem do astry. No i jest jedno ale.
Astra ma w standardzie światła dzienne, które dwuklik wyłącza. Cała reszta działa znakomicie.
Jak mogę wyłaczyć dwuklik a zostawić automatykę zmiszchową. Ewentualnie jak ustawić progi aby nie wyłączało dziennych?
Wysłane z mojego E5603 przy użyciu Tapatalka
Zmontowałem układ twojego pomysłu, ale zamontowałem do astry. No i jest jedno ale.
Astra ma w standardzie światła dzienne, które dwuklik wyłącza. Cała reszta działa znakomicie.
Jak mogę wyłaczyć dwuklik a zostawić automatykę zmiszchową. Ewentualnie jak ustawić progi aby nie wyłączało dziennych?
Wysłane z mojego E5603 przy użyciu Tapatalka
- etac
- Prezes
- Posty: 24968
- Rejestracja: 4 sie 2013, o 00:31
- Reputacja: 300
- Imię: Krzysztof
- Samochód: Opel Astra L ST
- Silnik: 1.2T Pure Tech
- LPG: NIE
- Inny samochód: Yamaha X-MAX Tech Max
- Lokalizacja: SBE
- Kontakt:
Re: CSO - układ do dezaktywacji świateł mijania(skandynawii)
Według mnie do tego auta powinieneś mieć coś jak to - https://sklep.avt.pl/avt1850.html
i troszkę inny sposób podłączenia.
i troszkę inny sposób podłączenia.
Lekcje prywatne są odpłatne, pytania na forum są darmowe
- wszim
- Zasłużony dla forum
- Posty: 15495
- Rejestracja: 10 paź 2013, o 22:04
- Reputacja: 146
- Imię: Wojtek
- Samochód: był orlando
- Silnik: 1.8 2H0 141KM (KL7)
- LPG: BRC SQ24
- Inny samochód: toyota RAV4 2.5 hybrid 4x4 222KM
- Lokalizacja: Nowy Sącz
- Kontakt:
Re: CSO - układ do dezaktywacji świateł mijania(skandynawii)
Więc w Astrze mój program CSO nie będzie działać bo był napisany stricte pod chevroletowe rozwiązanie aktywnej skandynawii.Bunioopl pisze:Wojtku potrzebuję twojej pomocy.
Zmontowałem układ twojego pomysłu, ale zamontowałem do astry. No i jest jedno ale.
Astra ma w standardzie światła dzienne, które dwuklik wyłącza. Cała reszta działa znakomicie.
Jak mogę wyłaczyć dwuklik a zostawić automatykę zmiszchową. Ewentualnie jak ustawić progi aby nie wyłączało dziennych?
Wysłane z mojego E5603 przy użyciu Tapatalka

-
- Fachman
- Posty: 5139
- Rejestracja: 13 lis 2016, o 20:57
- Reputacja: 45
- Imię: Mariusz
- Samochód: Orlando 1.8 LPG LT+
- Silnik: 1.8 2HO, 141KM Pb
- LPG: BRC SQ24 Genius 1500
- Lokalizacja: Opole
- Kontakt:
Re: CSO - układ do dezaktywacji świateł mijania(skandynawii)
Nie ma szans na działanie?
Układ działa tylko dwuklik trzeba jakś wyłączyć, albo progi tak ustawić, żeby dzienne odrazu się zapalały.
Wysłane z mojego E5603 przy użyciu Tapatalka
Układ działa tylko dwuklik trzeba jakś wyłączyć, albo progi tak ustawić, żeby dzienne odrazu się zapalały.
Wysłane z mojego E5603 przy użyciu Tapatalka
- wszim
- Zasłużony dla forum
- Posty: 15495
- Rejestracja: 10 paź 2013, o 22:04
- Reputacja: 146
- Imię: Wojtek
- Samochód: był orlando
- Silnik: 1.8 2H0 141KM (KL7)
- LPG: BRC SQ24
- Inny samochód: toyota RAV4 2.5 hybrid 4x4 222KM
- Lokalizacja: Nowy Sącz
- Kontakt:
Re: CSO - układ do dezaktywacji świateł mijania(skandynawii)
Musiałbym zmieniać oprogramowanie a nie mam na to pałera, zwłaszcza że brak możliwości przetestowania na miejscu. Wydaje mi się, że w Astrze trzeba zastosować coś innego gotowego. Etac podsunął pomysł.

-
- Fachman
- Posty: 5139
- Rejestracja: 13 lis 2016, o 20:57
- Reputacja: 45
- Imię: Mariusz
- Samochód: Orlando 1.8 LPG LT+
- Silnik: 1.8 2HO, 141KM Pb
- LPG: BRC SQ24 Genius 1500
- Lokalizacja: Opole
- Kontakt:
Re: CSO - układ do dezaktywacji świateł mijania(skandynawii)
To szwagier będzie niezadowolony. Jak byś wpadł na jakiś pomysł daj znać. Mogę tylko podpowiedzieć , że wystarczy wyłączyć dwuklika
Wysłane z mojego SM-T533 przy użyciu Tapatalka
Wysłane z mojego SM-T533 przy użyciu Tapatalka
- etac
- Prezes
- Posty: 24968
- Rejestracja: 4 sie 2013, o 00:31
- Reputacja: 300
- Imię: Krzysztof
- Samochód: Opel Astra L ST
- Silnik: 1.2T Pure Tech
- LPG: NIE
- Inny samochód: Yamaha X-MAX Tech Max
- Lokalizacja: SBE
- Kontakt:
Re: CSO - układ do dezaktywacji świateł mijania(skandynawii)
ale to jest główna funkcja tego ukladu. Wyrzucenie tego powoduje ze ten układ jest zbędny i trzeba coś innego.
Poszukaj po forach Astra, pewnie mają rozwiązanie.
Poszukaj po forach Astra, pewnie mają rozwiązanie.
Lekcje prywatne są odpłatne, pytania na forum są darmowe
-
- Fachman
- Posty: 5139
- Rejestracja: 13 lis 2016, o 20:57
- Reputacja: 45
- Imię: Mariusz
- Samochód: Orlando 1.8 LPG LT+
- Silnik: 1.8 2HO, 141KM Pb
- LPG: BRC SQ24 Genius 1500
- Lokalizacja: Opole
- Kontakt:
Re: CSO - układ do dezaktywacji świateł mijania(skandynawii)
Wszystko wiem . Mam to u siebie.
W astrze nie ma skadynawi . Są za to dodatkowe światła w orginalnym reflektorze, a tył się w tym czasie nie świeci. Z przodu palą się tylko dwie źarówki po 20W.
Wysłane z mojego SM-T533 przy użyciu Tapatalka
W astrze nie ma skadynawi . Są za to dodatkowe światła w orginalnym reflektorze, a tył się w tym czasie nie świeci. Z przodu palą się tylko dwie źarówki po 20W.
Wysłane z mojego SM-T533 przy użyciu Tapatalka
- etac
- Prezes
- Posty: 24968
- Rejestracja: 4 sie 2013, o 00:31
- Reputacja: 300
- Imię: Krzysztof
- Samochód: Opel Astra L ST
- Silnik: 1.2T Pure Tech
- LPG: NIE
- Inny samochód: Yamaha X-MAX Tech Max
- Lokalizacja: SBE
- Kontakt:
Re: CSO - układ do dezaktywacji świateł mijania(skandynawii)
Wiem jak wygląda DRL w Astrze 

Lekcje prywatne są odpłatne, pytania na forum są darmowe
-
- Fachman
- Posty: 5139
- Rejestracja: 13 lis 2016, o 20:57
- Reputacja: 45
- Imię: Mariusz
- Samochód: Orlando 1.8 LPG LT+
- Silnik: 1.8 2HO, 141KM Pb
- LPG: BRC SQ24 Genius 1500
- Lokalizacja: Opole
- Kontakt:
Re: CSO - układ do dezaktywacji świateł mijania(skandynawii)
Sorki , myślałem , że nie.
Wysłane z mojego SM-T533 przy użyciu Tapatalka
Wysłane z mojego SM-T533 przy użyciu Tapatalka
- wszim
- Zasłużony dla forum
- Posty: 15495
- Rejestracja: 10 paź 2013, o 22:04
- Reputacja: 146
- Imię: Wojtek
- Samochód: był orlando
- Silnik: 1.8 2H0 141KM (KL7)
- LPG: BRC SQ24
- Inny samochód: toyota RAV4 2.5 hybrid 4x4 222KM
- Lokalizacja: Nowy Sącz
- Kontakt:
Re: CSO - układ do dezaktywacji świateł mijania(skandynawii)
Mariusz, wybacz ale nie mam argumentów żeby coś działać w tym kierunku a mam sporo żeby tego nie robić.

-
- Fachman
- Posty: 5139
- Rejestracja: 13 lis 2016, o 20:57
- Reputacja: 45
- Imię: Mariusz
- Samochód: Orlando 1.8 LPG LT+
- Silnik: 1.8 2HO, 141KM Pb
- LPG: BRC SQ24 Genius 1500
- Lokalizacja: Opole
- Kontakt:
Re: CSO - układ do dezaktywacji świateł mijania(skandynawii)
Ok rozumiem, ale jak byś wpadł na jakiś pomysł, który ja bym był w stanie ogarnąć, to daj znać. W końcu co dwie głowy to nie jedna. Ja nie daję za wygraną i będę kombinował dalej.
Wysłane z mojego SM-T533 przy użyciu Tapatalka
Wysłane z mojego SM-T533 przy użyciu Tapatalka
- Kolda
- Stały bywalec
- Posty: 237
- Rejestracja: 19 lut 2016, o 08:48
- Reputacja: 1
- Imię: Arek
- Samochód: Cruze 1.6 SW
- Silnik:
- Lokalizacja: Warszawa
- Kontakt:
Re: CSO - układ do dezaktywacji świateł mijania(skandynawii)
Mieliście może sytuację że układ się zresetowal do wartości 255,255,255.
- zzzz
- Wymiatacz
- Posty: 1655
- Rejestracja: 3 gru 2013, o 17:50
- Reputacja: 41
- Imię: Zbyszek
- Samochód: Cruze HB LT+
- Silnik: 1.8
- LPG: BRC
- Lokalizacja: SBE
- Kontakt:
Kto jest online
Użytkownicy przeglądający to forum: Obecnie na forum nie ma żadnego zarejestrowanego użytkownika i 1 gość