[Cruze] moduł świateł by barus - skandynawia problem

czyli jak samemu coś naprawić, coś usprawnić
barus
Wymiatacz
Posty: 1616
Rejestracja: 9 sty 2014, o 16:53
Reputacja: 35
Imię: Czesław
Samochód: Cruze1.8LT+Prem, LPG
Silnik:
Lokalizacja: Bielsko-B
Kontakt:

[Cruze] moduł świateł by barus - skandynawia problem

Post autor: barus » 12 sie 2015, o 00:40

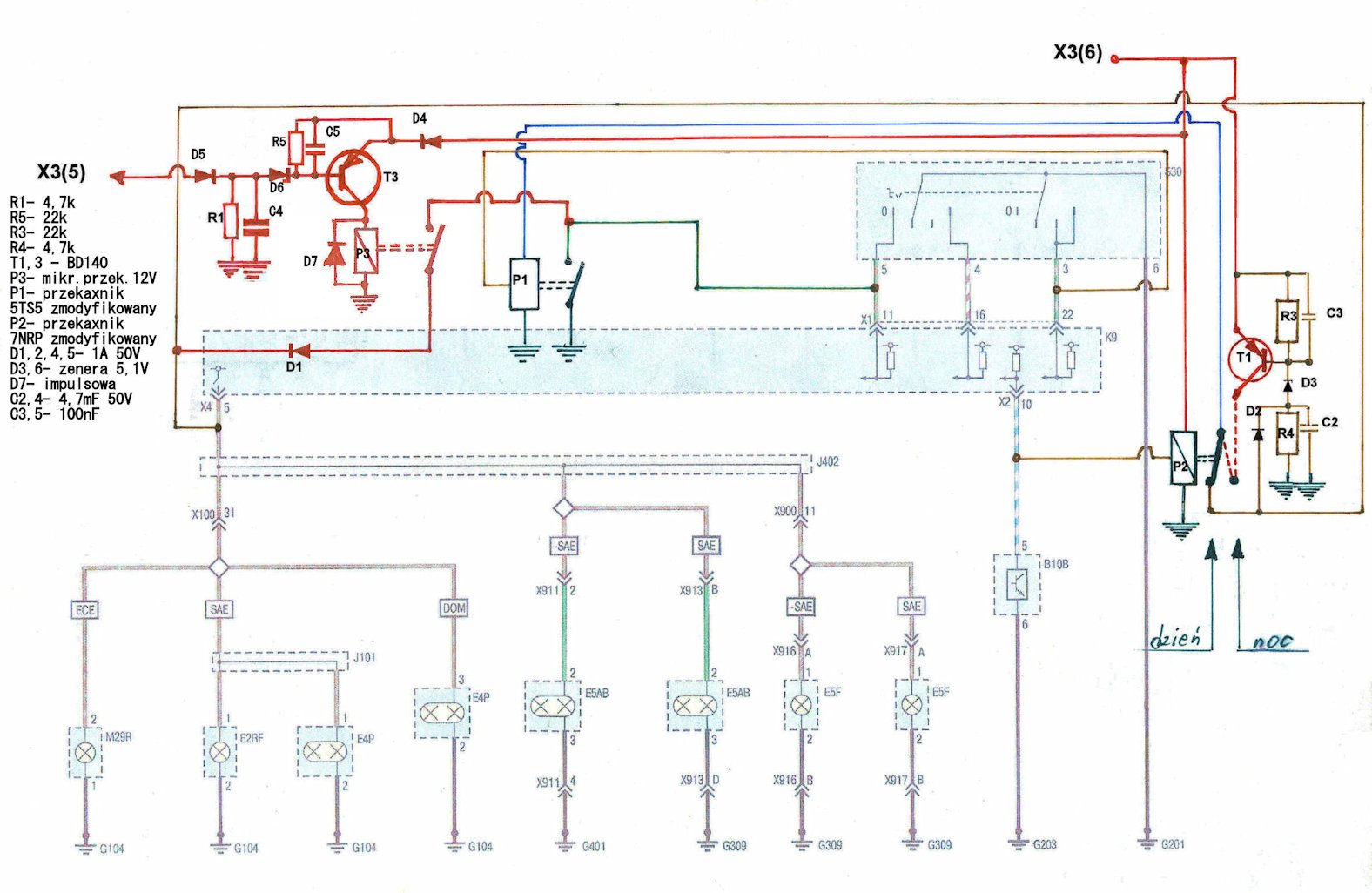
Oto schemat mojego modułu oraz instrukcja jego montażu.
moduł z mikroprzekaźnikiem.jpg
moduł z mikroprzekaźnikiem.jpg (214.04 KiB) Przejrzano 5720 razy
Tak wygląda moduł.
Img_8281.jpg
Img_8281.jpg (510.68 KiB) Przejrzano 5720 razy
Instrukcja jego montażu.

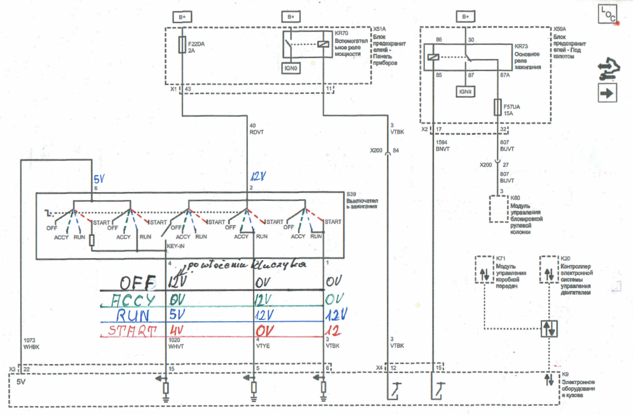
MODUŁ BCM
Przewód czarny – masa masa – wspornik tunelu
- czerwony do X3 (6) – różowo-czarny / +12V kluczyk w pozycji zapłon
- zielony do X1 (22) – szaro-zielony / reset nastepuje przy napięciu 0V
- szary do X3 (5) - różowo-żółty / od stacyjki, zapłon 12V, start 0V - niebieski do X1 (11) – brązowo-zielony / punkt zwierany do masy
- pomarańczowy do X2 (10) – biało-niebieski / czujnik św., dioda
- żółty do X4 (5) - szaro-brązowy / św. pozycyjne


Umieszczę jutro fotkę z instrukcją, bo tą, którą napisałem wyżej po wysłaniu została tak sformatowana, że staje się mało zrozumiała :|

barus
Wymiatacz
Posty: 1616
Rejestracja: 9 sty 2014, o 16:53
Reputacja: 35
Imię: Czesław
Samochód: Cruze1.8LT+Prem, LPG
Silnik:
Lokalizacja: Bielsko-B
Kontakt:

Re: [Cruze] moduł świateł by barus - skandynawia problem

Post autor: barus » 12 sie 2015, o 14:06

Teraz to będzie bardziej czytelne.
xxx.jpg
xxx.jpg (94.99 KiB) Przejrzano 5705 razy
Poziom napięcia po stacyjce w zależności od pozycji kluczyka.
skan.jpg
skan.jpg (186.45 KiB) Przejrzano 5705 razy
Tak to wygląda po zamontowaniu modułu.
Img_8283.jpg
Img_8283.jpg (478.44 KiB) Przejrzano 5705 razy
Wyłącznik służy do wyłączenia (dezaktywowania) modułu.

Jeszcze schemat podstawek przekaźników.
untitl1.jpg
untitl1.jpg (292.71 KiB) Przejrzano 5705 razy

barus
Wymiatacz
Posty: 1616
Rejestracja: 9 sty 2014, o 16:53
Reputacja: 35
Imię: Czesław
Samochód: Cruze1.8LT+Prem, LPG
Silnik:
Lokalizacja: Bielsko-B
Kontakt:

Re: [Cruze] moduł świateł by barus - skandynawia problem

Post autor: barus » 12 sie 2015, o 14:40

Jeszcze kolory wtyczek do BCM w Cruze.

X1 - biały
X2 - niebieski
X3 - zielony
X4 - czarny
X5 - brązowy
X6 - różowy
X7 - szary / popielaty

Awatar użytkownika
etac
Prezes
Posty: 24968
Rejestracja: 4 sie 2013, o 00:31
Reputacja: 300
Imię: Krzysztof
Samochód: Opel Astra L ST
Silnik: 1.2T Pure Tech
LPG: NIE
Inny samochód: Yamaha X-MAX Tech Max
Lokalizacja: SBE
Kontakt:

Re: [Cruze] moduł świateł by barus - skandynawia problem

Post autor: etac » 12 sie 2015, o 15:27

Dodam, ze dla pełnej funkcji potrzebny jest:
- wyłacznik z funkcja AUTO

Obrazek

- fabryczny czujnik światła, lub inny podobnie dzialajacy i dopasowany do ukladu

Obrazek
Lekcje prywatne są odpłatne, pytania na forum są darmowe

Awatar użytkownika
wszim
Zasłużony dla forum
Posty: 15495
Rejestracja: 10 paź 2013, o 22:04
Reputacja: 146
Imię: Wojtek
Samochód: był orlando
Silnik: 1.8 2H0 141KM (KL7)
LPG: BRC SQ24
Inny samochód: toyota RAV4 2.5 hybrid 4x4 222KM
Lokalizacja: Nowy Sącz
Kontakt:

Re: [Cruze] moduł świateł by barus - skandynawia problem

Post autor: wszim » 12 sie 2015, o 16:16

barus pisze:Teraz to będzie bardziej czytelne.
Obrazek
Tu zapewne jest literówka MODUŁ a nie MODEM ;)
Obrazek Nie bądź obojętny na wojnę w Ukrainie.

barus
Wymiatacz
Posty: 1616
Rejestracja: 9 sty 2014, o 16:53
Reputacja: 35
Imię: Czesław
Samochód: Cruze1.8LT+Prem, LPG
Silnik:
Lokalizacja: Bielsko-B
Kontakt:

Re: [Cruze] moduł świateł by barus - skandynawia problem

Post autor: barus » 12 sie 2015, o 21:10

Wszim, oczywiście, że ma być moduł ;)

barus
Wymiatacz
Posty: 1616
Rejestracja: 9 sty 2014, o 16:53
Reputacja: 35
Imię: Czesław
Samochód: Cruze1.8LT+Prem, LPG
Silnik:
Lokalizacja: Bielsko-B
Kontakt:

Re: [Cruze] moduł świateł by barus - skandynawia problem

Post autor: barus » 12 sie 2015, o 21:42

Dla pełnej jasności dodam, że mój moduł nadaje się do samochodów, (Cruze/Orlando) wyposażonych fabrycznie w czujnik zmierzchu a do wyłączenia świateł wystarcza zawsze jeden klik. W nowszych wersjach MY13 do wyłączenia świateł po dłuższej przerwie, ponad 10 min, potrzebne są dwa kliki, gdy krótszy czas postoju to jeden klik. W tym przypadku ma zastosowanie moduł Wszima.

Robbo
Profesjonalista
Posty: 820
Rejestracja: 28 cze 2015, o 14:31
Reputacja: 0
Imię: Robert
Samochód: Orlando LPG automat
Silnik:
Lokalizacja: Warszawa
Kontakt:

Re: [Cruze] moduł świateł by barus - skandynawia problem

Post autor: Robbo » 22 sie 2015, o 12:26

W który przewódy wpiąć bezpiecznik, a w które przewody wpinamy w wyłącznik czy przełącznik :ocochodzi:
Załączniki
wyłącznik .jpeg
wyłącznik .jpeg (440.77 KiB) Przejrzano 5634 razy

Awatar użytkownika
etac
Prezes
Posty: 24968
Rejestracja: 4 sie 2013, o 00:31
Reputacja: 300
Imię: Krzysztof
Samochód: Opel Astra L ST
Silnik: 1.2T Pure Tech
LPG: NIE
Inny samochód: Yamaha X-MAX Tech Max
Lokalizacja: SBE
Kontakt:

Re: [Cruze] moduł świateł by barus - skandynawia problem

Post autor: etac » 22 sie 2015, o 13:47

wszystko jest na schemacie
Lekcje prywatne są odpłatne, pytania na forum są darmowe

Robbo
Profesjonalista
Posty: 820
Rejestracja: 28 cze 2015, o 14:31
Reputacja: 0
Imię: Robert
Samochód: Orlando LPG automat
Silnik:
Lokalizacja: Warszawa
Kontakt:

Re: [Cruze] moduł świateł by barus - skandynawia problem

Post autor: Robbo » 23 sie 2015, o 13:30

A bardziej precyzyjnie? Czy zastosować wyłącznik czy przełącznik? Z foto wynika ze wpięto w czerwony przewód oraz niebieski tj. W przewody wpiete w X3 6 , x1 11 {:/

Robbo
Profesjonalista
Posty: 820
Rejestracja: 28 cze 2015, o 14:31
Reputacja: 0
Imię: Robert
Samochód: Orlando LPG automat
Silnik:
Lokalizacja: Warszawa
Kontakt:

Re: [Cruze] moduł świateł by barus - skandynawia problem

Post autor: Robbo » 26 paź 2016, o 11:33

barus pisze:Oto schemat mojego modułu oraz instrukcja jego montażu.
moduł z mikroprzekaźnikiem.jpg
Tak wygląda moduł.
Img_8281.jpg
Instrukcja jego montażu.

MODUŁ BCM
Przewód czarny – masa masa – wspornik tunelu
- czerwony do X3 (6) – różowo-czarny / +12V kluczyk w pozycji zapłon
- zielony do X1 (22) – szaro-zielony / reset nastepuje przy napięciu 0V
- szary do X3 (5) - różowo-żółty / od stacyjki, zapłon 12V, start 0V - niebieski do X1 (11) – brązowo-zielony / punkt zwierany do masy
- pomarańczowy do X2 (10) – biało-niebieski / czujnik św., dioda
- żółty do X4 (5) - szaro-brązowy / św. pozycyjne


Umieszczę jutro fotkę z instrukcją, bo tą, którą napisałem wyżej po wysłaniu została tak sformatowana, że staje się mało zrozumiała :|
Dzień dobry mam zamontowany ten układ. Dotychczas działał bez zarzutu. Ostatnio zaoprzerwowałem ze nie działa prawidłowo! Powraca do świateł dziennych nie reaguje na fotokomórkę.
Po poruszeniu wiązki tego modułu usterka ustąpiła!
Ponieważ przewody są bardzo delikatne i łatwo uszkodzić mechanicznie. Który przewód należy sprawdzić?
Czy "pomarańczowy do X2 (10) – biało-niebieski / czujnik św., dioda " :zastanawiasie:

Awatar użytkownika
Avatar
Fachman
Posty: 2463
Rejestracja: 9 sie 2013, o 08:08
Reputacja: 0
Imię: Marcin
Samochód: brak
Silnik:
Lokalizacja: Racibórz
Kontakt:

Re: [Cruze] moduł świateł by barus - skandynawia problem

Post autor: Avatar » 26 paź 2016, o 12:11

Polecalbym wpiac sie w kable wiazki X poprzez lutowanie, szybkozlaczki zaciskowe sa zawodne i po czasie są luzy na połączeniach dlatego układ swiruje. Przerabialem to u siebie i docelowo deaktywowalem skandynawie w ASO.

Robbo
Profesjonalista
Posty: 820
Rejestracja: 28 cze 2015, o 14:31
Reputacja: 0
Imię: Robert
Samochód: Orlando LPG automat
Silnik:
Lokalizacja: Warszawa
Kontakt:

Re: [Cruze] moduł świateł by barus - skandynawia problem

Post autor: Robbo » 26 paź 2016, o 17:48

Liczę ze ASO Auto Żoliborz opanuje deaktywacje! Dlatego wstrzymam się z wlutowaniem w wiązkę. :cry:

Awatar użytkownika
etac
Prezes
Posty: 24968
Rejestracja: 4 sie 2013, o 00:31
Reputacja: 300
Imię: Krzysztof
Samochód: Opel Astra L ST
Silnik: 1.2T Pure Tech
LPG: NIE
Inny samochód: Yamaha X-MAX Tech Max
Lokalizacja: SBE
Kontakt:

Re: [Cruze] moduł świateł by barus - skandynawia problem

Post autor: etac » 26 paź 2016, o 19:58

Za jedyne 400 zł zrobi to bez problemu. Tyle kosztuje kod VCI do deaktywacji tej funkcji.
Lekcje prywatne są odpłatne, pytania na forum są darmowe

Robbo
Profesjonalista
Posty: 820
Rejestracja: 28 cze 2015, o 14:31
Reputacja: 0
Imię: Robert
Samochód: Orlando LPG automat
Silnik:
Lokalizacja: Warszawa
Kontakt:

Re: [Cruze] moduł świateł by barus - skandynawia problem

Post autor: Robbo » 26 paź 2016, o 20:19

Ciekawe a oni twierdzą że nie potrafią !!! :cry:

Awatar użytkownika
etac
Prezes
Posty: 24968
Rejestracja: 4 sie 2013, o 00:31
Reputacja: 300
Imię: Krzysztof
Samochód: Opel Astra L ST
Silnik: 1.2T Pure Tech
LPG: NIE
Inny samochód: Yamaha X-MAX Tech Max
Lokalizacja: SBE
Kontakt:

Re: [Cruze] moduł świateł by barus - skandynawia problem

Post autor: etac » 26 paź 2016, o 20:23

Nazwałbym takie słowa inaczej, ale jako moderator muszę się powstrzymać.

Zawsze możesz im wydrukować posta jakiego stworzyłem w tym temacie w dziale Manuale
Lekcje prywatne są odpłatne, pytania na forum są darmowe

Robbo
Profesjonalista
Posty: 820
Rejestracja: 28 cze 2015, o 14:31
Reputacja: 0
Imię: Robert
Samochód: Orlando LPG automat
Silnik:
Lokalizacja: Warszawa
Kontakt:

Re: [Cruze] moduł świateł by barus - skandynawia problem

Post autor: Robbo » 26 paź 2016, o 20:45

Dziękuję za informacje! Ponieważ po roku eksploatacji usiłował to u nich zrobić a otrzymywał wielokrotnie odpowiedz "nie po nie " może coś się zmieniło :/ . Odnoszę wrażenie ze nastawieni są na opla bo z tamtąd mają lepszą kasę a to traktują jak niechciane dziecko :(

Robbo
Profesjonalista
Posty: 820
Rejestracja: 28 cze 2015, o 14:31
Reputacja: 0
Imię: Robert
Samochód: Orlando LPG automat
Silnik:
Lokalizacja: Warszawa
Kontakt:

Re: [Cruze] moduł świateł by barus - skandynawia problem

Post autor: Robbo » 17 lis 2016, o 12:39

Pytanie do Borusa na jakich przekaźnikach jest wykonany moduł. Od pewnego czasu mam problem z z modułem!
Co jakiś czas nie działa prawidłowo , sprawdziłem połączenia ok. Jak wstrząse to działa jakiś czas prawidłowo. :nerwy {:/
W internecie znalazłem 5TS5 naczyń polega modyfikacja?
Nie znalazłem przekaźnika 7NRP oznaczenia przekaźników znalazłem w schemacie

Awatar użytkownika
etac
Prezes
Posty: 24968
Rejestracja: 4 sie 2013, o 00:31
Reputacja: 300
Imię: Krzysztof
Samochód: Opel Astra L ST
Silnik: 1.2T Pure Tech
LPG: NIE
Inny samochód: Yamaha X-MAX Tech Max
Lokalizacja: SBE
Kontakt:

Re: [Cruze] moduł świateł by barus - skandynawia problem

Post autor: etac » 17 lis 2016, o 12:59

przekaźniki były kupowane w tej firmie

http://ase.hoste.pl/sklep/index.php

a tu masz szukany:

http://ase.hoste.pl/sklep/index.php?p15 ... iecia-7nrp


BTW: używaj EDYCJA, a nie twórz takiego samego posta jeden po drugim (usunięto zdublowanie)
Lekcje prywatne są odpłatne, pytania na forum są darmowe

Robbo
Profesjonalista
Posty: 820
Rejestracja: 28 cze 2015, o 14:31
Reputacja: 0
Imię: Robert
Samochód: Orlando LPG automat
Silnik:
Lokalizacja: Warszawa
Kontakt:

Re: [Cruze] moduł świateł by barus - skandynawia problem

Post autor: Robbo » 17 lis 2016, o 13:27

Dziękuje za szybką odpowiedź!

Podejrzewam styki w przekaźniku . Ponieważ źle działa fotokomórka raz załącza innym razem nie wyłącza świateł dziennych. W opisie jest napisane że przekaźniki zostały zmodyfikowane tz. :zastanawiasie:

Awatar użytkownika
etac
Prezes
Posty: 24968
Rejestracja: 4 sie 2013, o 00:31
Reputacja: 300
Imię: Krzysztof
Samochód: Opel Astra L ST
Silnik: 1.2T Pure Tech
LPG: NIE
Inny samochód: Yamaha X-MAX Tech Max
Lokalizacja: SBE
Kontakt:

Re: [Cruze] moduł świateł by barus - skandynawia problem

Post autor: etac » 17 lis 2016, o 13:51

cala dodatkowa elektronika jest wbudowana w środku w przekaźniku.
Lekcje prywatne są odpłatne, pytania na forum są darmowe

Robbo
Profesjonalista
Posty: 820
Rejestracja: 28 cze 2015, o 14:31
Reputacja: 0
Imię: Robert
Samochód: Orlando LPG automat
Silnik:
Lokalizacja: Warszawa
Kontakt:

Re: [Cruze] moduł świateł by barus - skandynawia problem

Post autor: Robbo » 17 lis 2016, o 20:25

Pytanie do Borusa projektanta układu co jak sprawdzić. Moduł nie działa prawidłowo a po wstrząśnięciu jakiś czas działa. Jestem bardzo mierny w elektronice :nerwy

barus
Wymiatacz
Posty: 1616
Rejestracja: 9 sty 2014, o 16:53
Reputacja: 35
Imię: Czesław
Samochód: Cruze1.8LT+Prem, LPG
Silnik:
Lokalizacja: Bielsko-B
Kontakt:

Re: [Cruze] moduł świateł by barus - skandynawia problem

Post autor: barus » 17 lis 2016, o 22:12

Pytanie czy na pewno moduł źle działa, czy brak kontaktu/styku na przewodach wpiętych w okolicy BCM? Napisz jak jest wpięty moduł, jak są połączone przewody modułu z instalacją?

Robbo
Profesjonalista
Posty: 820
Rejestracja: 28 cze 2015, o 14:31
Reputacja: 0
Imię: Robert
Samochód: Orlando LPG automat
Silnik:
Lokalizacja: Warszawa
Kontakt:

Re: [Cruze] moduł świateł by barus - skandynawia problem

Post autor: Robbo » 17 lis 2016, o 22:30

W celu sprawdzenia wypiołem wtyczki z BCM i sprawdziłem mostkiem od wtyczek BCM do kostek w module, Moduł jest wpięty ta jak na zdjęciu powyżej (na szybko złączki ) sprawdzany mostkiem. {:/

Awatar użytkownika
Avatar
Fachman
Posty: 2463
Rejestracja: 9 sie 2013, o 08:08
Reputacja: 0
Imię: Marcin
Samochód: brak
Silnik:
Lokalizacja: Racibórz
Kontakt:

Re: [Cruze] moduł świateł by barus - skandynawia problem

Post autor: Avatar » 17 lis 2016, o 22:31

Szybko złączki dają ciała, też bawiłem się z nimi...

ODPOWIEDZ

Wróć do „Cruze Manuale”

Kto jest online

Użytkownicy przeglądający to forum: Obecnie na forum nie ma żadnego zarejestrowanego użytkownika i 1 gość