Wspólny wskaźnik PB/LPG lekarstwem na opadający wsk. paliwa.
- wszim
- Zasłużony dla forum
- Posty: 15495
- Rejestracja: 10 paź 2013, o 22:04
- Reputacja: 146
- Imię: Wojtek
- Samochód: był orlando
- Silnik: 1.8 2H0 141KM (KL7)
- LPG: BRC SQ24
- Inny samochód: toyota RAV4 2.5 hybrid 4x4 222KM
- Lokalizacja: Nowy Sącz
- Kontakt:
Re: Wspólny wskaźnik PB/LPG lekarstwem na opadający wsk. pal
Mnie to interesuje z czystej technicznej ciekawości tego rozwiązania. Raczej go nie zastosuję bo nie mam problemu ze wskaźnikiem, a także wolę mieć bieżącą informację o stanie zbiornika benzyny również przy pracy na LPG.

- huri_khan
- Zasłużony dla forum
- Posty: 5237
- Rejestracja: 9 sie 2013, o 09:29
- Reputacja: 91
- Imię: Robert
- Samochód: Kia Proceed
- Silnik: 1,4 T
- Inny samochód: Ford Mondeo
- Lokalizacja: Bytom
- Kontakt:
Re: Wspólny wskaźnik PB/LPG lekarstwem na opadający wsk. pal
Ja nie mam BRC 

240 000 km z Chevroletem w zupełności wystarczyło 

-
- Wymiatacz
- Posty: 1616
- Rejestracja: 9 sty 2014, o 16:53
- Reputacja: 35
- Imię: Czesław
- Samochód: Cruze1.8LT+Prem, LPG
- Silnik:
- Lokalizacja: Bielsko-B
- Kontakt:
Re: Wspólny wskaźnik PB/LPG lekarstwem na opadający wsk. pal
Dla mnie głównym powodem wykonania tej modyfikacji był opadający wskaźnik. Dzięki tej modyfikacji problem z opadaniem ustąpił a przy okazji popracowałem na kalibracją wskazań LPG na wskaźniku PB. Myślałem jeszcze o tym, aby podczas jazdy na LPG wskaźnik LPG pokazywał poziom PB (odwrotność wskazań) możliwe do wykonania, ale uznałem, że w moim przypadku jest to zbędne, bo zawsze przy uruchamianiu zimnego silnika widzę poziom benzyny a skoro nie mam uruchomionego dotrysku PB to nie muszę ciągle monitorować wskazań PB.
Dzisiaj wieczorem wrzucę schemat i fotki.
Dzisiaj wieczorem wrzucę schemat i fotki.
Ostatnio zmieniony 1 cze 2016, o 16:09 przez barus, łącznie zmieniany 1 raz.
-
- Wymiatacz
- Posty: 1616
- Rejestracja: 9 sty 2014, o 16:53
- Reputacja: 35
- Imię: Czesław
- Samochód: Cruze1.8LT+Prem, LPG
- Silnik:
- Lokalizacja: Bielsko-B
- Kontakt:
Re: Wspólny wskaźnik PB/LPG lekarstwem na opadający wsk. pal
A jaką rezystancję posiada wskaźnikhuri_khan pisze:Ja nie mam BRC

jakie napięcia sterujące - pusty/pełny zbiornik

-
- Wymiatacz
- Posty: 1616
- Rejestracja: 9 sty 2014, o 16:53
- Reputacja: 35
- Imię: Czesław
- Samochód: Cruze1.8LT+Prem, LPG
- Silnik:
- Lokalizacja: Bielsko-B
- Kontakt:
Re: Wspólny wskaźnik PB/LPG lekarstwem na opadający wsk. pal
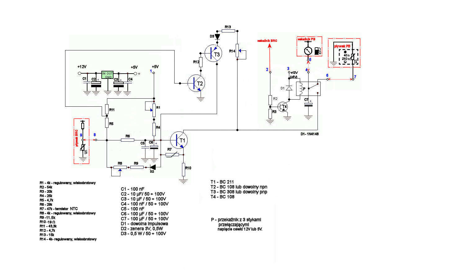
Oto schemat modułu.
R1 - ustawienie wskazania max poziom
R8 - ustawienie wskazania minimalnego poziomu
R14 - liniowość w dolnym zakresie wskazania wskaźnik diodowy BRC moduł, przewody, ślepa komora/kanał pod przednim prawym siedzeniem wiązka i miejsce wpięcia się dwoma przewodami w rozcięty przewód od poiziomu PB na takiej płytce z łatwością zmieści się moduł
R1 - ustawienie wskazania max poziom
R8 - ustawienie wskazania minimalnego poziomu
R14 - liniowość w dolnym zakresie wskazania wskaźnik diodowy BRC moduł, przewody, ślepa komora/kanał pod przednim prawym siedzeniem wiązka i miejsce wpięcia się dwoma przewodami w rozcięty przewód od poiziomu PB na takiej płytce z łatwością zmieści się moduł
Ostatnio zmieniony 1 cze 2016, o 20:14 przez barus, łącznie zmieniany 5 razy.
- wszim
- Zasłużony dla forum
- Posty: 15495
- Rejestracja: 10 paź 2013, o 22:04
- Reputacja: 146
- Imię: Wojtek
- Samochód: był orlando
- Silnik: 1.8 2H0 141KM (KL7)
- LPG: BRC SQ24
- Inny samochód: toyota RAV4 2.5 hybrid 4x4 222KM
- Lokalizacja: Nowy Sącz
- Kontakt:
Re: Wspólny wskaźnik PB/LPG lekarstwem na opadający wsk. pal

No powiem, że schemat robi wrażenie




-
- Wymiatacz
- Posty: 1616
- Rejestracja: 9 sty 2014, o 16:53
- Reputacja: 35
- Imię: Czesław
- Samochód: Cruze1.8LT+Prem, LPG
- Silnik:
- Lokalizacja: Bielsko-B
- Kontakt:
Re: Wspólny wskaźnik PB/LPG lekarstwem na opadający wsk. pal
Zasilacz można pominąć a 5V można uzyskać z wskaźnika BRC.
R7 likwiduje t/z dryf tranzystora. Przekonałem się jak niewielka zmiana temperatury złącza PN zmienia punkt pracy tranzystora a nawet jego wzmocnienie. R7 zdecydowanie kompensuję tą zmianę.
R7 likwiduje t/z dryf tranzystora. Przekonałem się jak niewielka zmiana temperatury złącza PN zmienia punkt pracy tranzystora a nawet jego wzmocnienie. R7 zdecydowanie kompensuję tą zmianę.
Ostatnio zmieniony 1 cze 2016, o 21:10 przez barus, łącznie zmieniany 2 razy.
- etac
- Prezes
- Posty: 24968
- Rejestracja: 4 sie 2013, o 00:31
- Reputacja: 300
- Imię: Krzysztof
- Samochód: Opel Astra L ST
- Silnik: 1.2T Pure Tech
- LPG: NIE
- Inny samochód: Yamaha X-MAX Tech Max
- Lokalizacja: SBE
- Kontakt:
Re: Wspólny wskaźnik PB/LPG lekarstwem na opadający wsk. pal
No to Panowie, dogadać i zrobić parę modułów i po 99,99 na allegro 
Wiele serwisów kupi


Wiele serwisów kupi


Lekcje prywatne są odpłatne, pytania na forum są darmowe
-
- Wymiatacz
- Posty: 1616
- Rejestracja: 9 sty 2014, o 16:53
- Reputacja: 35
- Imię: Czesław
- Samochód: Cruze1.8LT+Prem, LPG
- Silnik:
- Lokalizacja: Bielsko-B
- Kontakt:
Re: Wspólny wskaźnik PB/LPG lekarstwem na opadający wsk. pal
Faktycznie, ale od czego się ma spostrzegawczych kolegówwszim pisze:![]()
zauważyłem, że często omyłkowo piszesz modem zamiast moduł

Jeśli zajdzie taka potrzeba to sukcesywnie będę udzielał porad jak się do tego zabrać.
- wszim
- Zasłużony dla forum
- Posty: 15495
- Rejestracja: 10 paź 2013, o 22:04
- Reputacja: 146
- Imię: Wojtek
- Samochód: był orlando
- Silnik: 1.8 2H0 141KM (KL7)
- LPG: BRC SQ24
- Inny samochód: toyota RAV4 2.5 hybrid 4x4 222KM
- Lokalizacja: Nowy Sącz
- Kontakt:
Re: Wspólny wskaźnik PB/LPG lekarstwem na opadający wsk. pal
Rzeczowo przygotowany manual. Bardzo dobry z ciebie analityk.
Wiedziałem, że jak barus się za coś zabierze to lipy nie będzie.
Wiedziałem, że jak barus się za coś zabierze to lipy nie będzie.


-
- Wymiatacz
- Posty: 1616
- Rejestracja: 9 sty 2014, o 16:53
- Reputacja: 35
- Imię: Czesław
- Samochód: Cruze1.8LT+Prem, LPG
- Silnik:
- Lokalizacja: Bielsko-B
- Kontakt:
Re: Wspólny wskaźnik PB/LPG lekarstwem na opadający wsk. pal
Przez niedopatrzenie na schemacie D2 oznaczyłem, jako zwykłą diodę a ma być Zenera.
Tu należy się dodatkowe wyjaśnienie. Otóż napięcie Zenera nie jest nam do niczego potrzebne. Dioda Zenera jest wykorzystana, jako zwykła dioda. W tym przypadku istotne jest napięcie nasycenia (spadek napięcia) tej diody w kierunku przewodzenia. Przyłączając napięcie +12V do anody każdej zwykłej diody w szereg z opornikiem 10k uzyskamy spadek napięcia na tej diodzie około 0,6V a na diodzie Zenera 0,7V i to jest języczkiem u wagi dla prawidłowego działania modułu. Przy zwykłej diodzie wskaźnik benzyny będzie zawyżał wskazanie gazu w jego środkowym położeniu.
W pętli baza T1, D2, R9, R8 oraz kaskada oporowa wskaźnika LPG, prąd zacznie płynąć dopiero wtedy, kiedy napięcie w punkcie 9 (pływak BRC) spadnie poniżej 0,4V (poziom gazu poniżej połowy zbiornika).
Dzielnik oporowy R5, R11 jest tak dobrany, że próg napięcia wysterowania T2 następuje w momencie uzyskania napięcia 2V do 2,05V na kolektorze T1. Powyżej tego napięcia tranzystor T2 jest w stanie nie przewodzenia.
Aby prawidłowo wyregulować R14 należy wyjechać gaz do zera, zatankować dokładnie ¼ zbiornika gazu jego realnej pojemności, ruszyć samochodem tak, aby wskaźnik gazu na butli ustawił się w odpowiedniej pozycji (ma dużą bezwładność wskazań na postoju). Tak regulujemy R14, aby na kolektorze T1 uzyskać napięcie 1,75V. Przy tym napięciu wskaźnik benzyny będzie pokazywał dokładnie 1/4 poziomu.
Wcześniej należy ustawić minimalny poziom rezystorem nastawnym R8 przy pustym zbiorniku gazu. Na kolektorze T1 ustawić napięcie 2,15V oraz poziom max, zbiornik LPG zatankowany do pełna, rezystorem nastawnym R1 ustawiamy napięcie 0,88V na kolektorze T1.
Wartości dzielnika oporowego R2 i R3 dobrałem do napięcia zasilania cewki przekaźnika 12V. Przy zasilaniu napięciem 5V może się okazać, że trzeba zmienić te wartości.
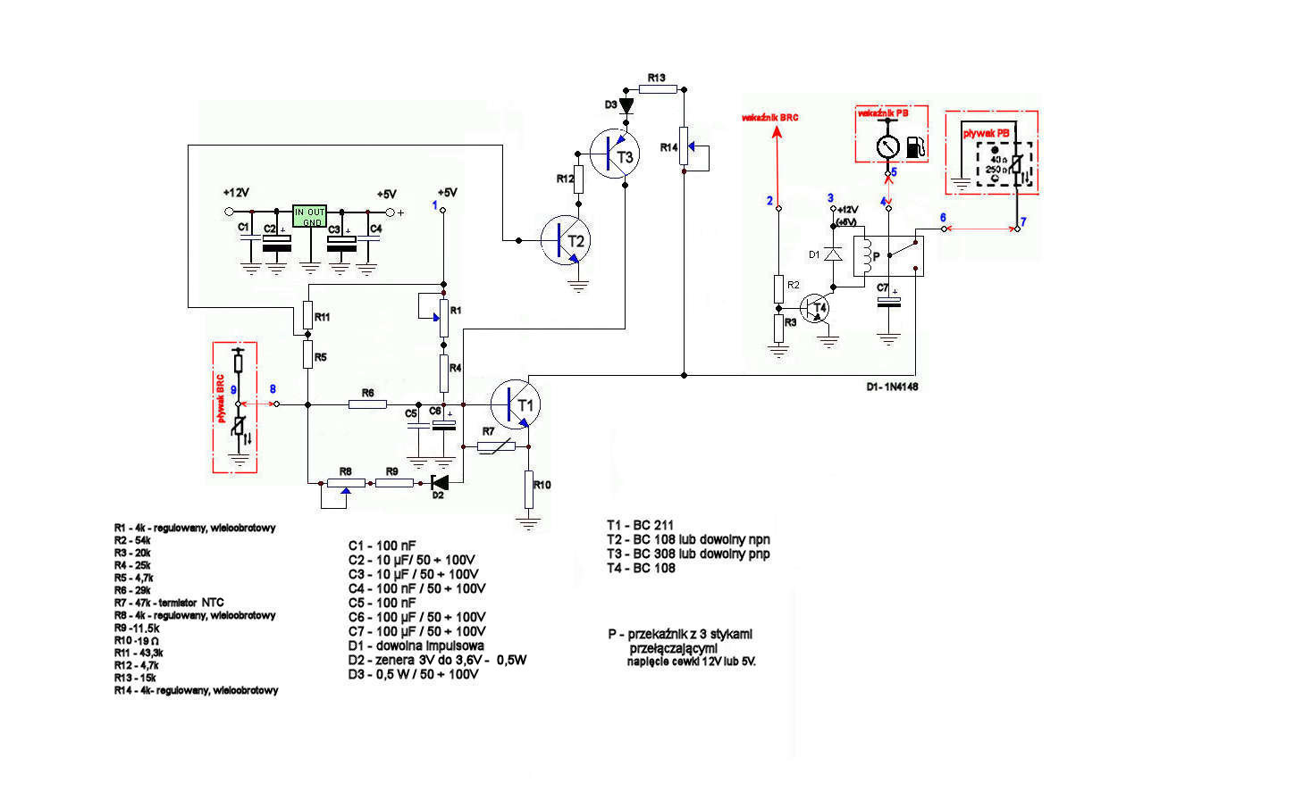
Poprawiony schemat. Prośba do administratorów aby ten schemat wstawić w miejsce poprzedniego.
Tu należy się dodatkowe wyjaśnienie. Otóż napięcie Zenera nie jest nam do niczego potrzebne. Dioda Zenera jest wykorzystana, jako zwykła dioda. W tym przypadku istotne jest napięcie nasycenia (spadek napięcia) tej diody w kierunku przewodzenia. Przyłączając napięcie +12V do anody każdej zwykłej diody w szereg z opornikiem 10k uzyskamy spadek napięcia na tej diodzie około 0,6V a na diodzie Zenera 0,7V i to jest języczkiem u wagi dla prawidłowego działania modułu. Przy zwykłej diodzie wskaźnik benzyny będzie zawyżał wskazanie gazu w jego środkowym położeniu.
W pętli baza T1, D2, R9, R8 oraz kaskada oporowa wskaźnika LPG, prąd zacznie płynąć dopiero wtedy, kiedy napięcie w punkcie 9 (pływak BRC) spadnie poniżej 0,4V (poziom gazu poniżej połowy zbiornika).
Dzielnik oporowy R5, R11 jest tak dobrany, że próg napięcia wysterowania T2 następuje w momencie uzyskania napięcia 2V do 2,05V na kolektorze T1. Powyżej tego napięcia tranzystor T2 jest w stanie nie przewodzenia.
Aby prawidłowo wyregulować R14 należy wyjechać gaz do zera, zatankować dokładnie ¼ zbiornika gazu jego realnej pojemności, ruszyć samochodem tak, aby wskaźnik gazu na butli ustawił się w odpowiedniej pozycji (ma dużą bezwładność wskazań na postoju). Tak regulujemy R14, aby na kolektorze T1 uzyskać napięcie 1,75V. Przy tym napięciu wskaźnik benzyny będzie pokazywał dokładnie 1/4 poziomu.
Wcześniej należy ustawić minimalny poziom rezystorem nastawnym R8 przy pustym zbiorniku gazu. Na kolektorze T1 ustawić napięcie 2,15V oraz poziom max, zbiornik LPG zatankowany do pełna, rezystorem nastawnym R1 ustawiamy napięcie 0,88V na kolektorze T1.
Wartości dzielnika oporowego R2 i R3 dobrałem do napięcia zasilania cewki przekaźnika 12V. Przy zasilaniu napięciem 5V może się okazać, że trzeba zmienić te wartości.
Poprawiony schemat. Prośba do administratorów aby ten schemat wstawić w miejsce poprzedniego.
-
- Profesjonalista
- Posty: 820
- Rejestracja: 28 cze 2015, o 14:31
- Reputacja: 0
- Imię: Robert
- Samochód: Orlando LPG automat
- Silnik:
- Lokalizacja: Warszawa
- Kontakt:
Re: Wspólny wskaźnik PB/LPG lekarstwem na opadający wsk. pal
Mam ten problem po zamontowaniu LPG . Jestem pod wrażeniem tego rozwiązania!
Czy nie byś był skłonny wykonać ten moduł oraz wskazówki gdzie wpiąć.
W Orlando zbiornik jest podpięty pod płytę podłogową bagażnika.
Czy nie byś był skłonny wykonać ten moduł oraz wskazówki gdzie wpiąć.

W Orlando zbiornik jest podpięty pod płytę podłogową bagażnika.

-
- Wymiatacz
- Posty: 1616
- Rejestracja: 9 sty 2014, o 16:53
- Reputacja: 35
- Imię: Czesław
- Samochód: Cruze1.8LT+Prem, LPG
- Silnik:
- Lokalizacja: Bielsko-B
- Kontakt:
Re: Wspólny wskaźnik PB/LPG lekarstwem na opadający wsk. pal
Było by to możliwe dopiero gdzieś na jesieni, teraz nie mam czasu. Orlando trochę różni się od Cruze, mam tu na myśli przebieg/ułożenie głównej wiązki od zbiornika PB do ECM - mam nadzieję, że podobnie jak w Cruze, czyli m/i pod przednimi fotelami. Następna trudność to wyłowienie z grubej wiązki jednego konkretnego przewodu od poziomu PB, a są, co najmniej 3 w tym samym kolorze i przekroju. Dostęp do butli (wskaźnika poziomu LPG bezpośrednio na butli) LPG u Ciebie też nie ułatwia sprawy. Przed wykonaniem przeze mnie modułu musiałbyś wykonać precyzyjne pomiary na zdalnym wskaźniku diodowym LPG przy całkowicie pustym zbiorniku i zatankowanym do pełna. 

-
- Profesjonalista
- Posty: 820
- Rejestracja: 28 cze 2015, o 14:31
- Reputacja: 0
- Imię: Robert
- Samochód: Orlando LPG automat
- Silnik:
- Lokalizacja: Warszawa
- Kontakt:
Re: Wspólny wskaźnik PB/LPG lekarstwem na opadający wsk. pal
Widać że modyfikacja dla profesjonalistów
Mam pytanie odnośnie resetu wskaźnika paliwa,
Co powoduje że po modyfikacji wskaźnik nie żeruje się?
Osobiście wkurza mnie zerwanie się wskaźnika, a po wyłączeniu i załączeniu zaplonu wskaźnik wskazuje 0 paliwa i wtedy załącza się nawigacja i kieruje do najbliższej stacji !

Mam pytanie odnośnie resetu wskaźnika paliwa,
Co powoduje że po modyfikacji wskaźnik nie żeruje się?
Osobiście wkurza mnie zerwanie się wskaźnika, a po wyłączeniu i załączeniu zaplonu wskaźnik wskazuje 0 paliwa i wtedy załącza się nawigacja i kieruje do najbliższej stacji !
- etac
- Prezes
- Posty: 24968
- Rejestracja: 4 sie 2013, o 00:31
- Reputacja: 300
- Imię: Krzysztof
- Samochód: Opel Astra L ST
- Silnik: 1.2T Pure Tech
- LPG: NIE
- Inny samochód: Yamaha X-MAX Tech Max
- Lokalizacja: SBE
- Kontakt:
Re: Wspólny wskaźnik PB/LPG lekarstwem na opadający wsk. pal
Szyna CAN dostaje sprzeczne informacje. Jeden sygnał mówi ze jedziemy i zużywamy paliwo, a drugi mówi ze paliwa nie ubywa, wiec wywala błąd i stara się zresetować.
Lekcje prywatne są odpłatne, pytania na forum są darmowe
-
- Profesjonalista
- Posty: 820
- Rejestracja: 28 cze 2015, o 14:31
- Reputacja: 0
- Imię: Robert
- Samochód: Orlando LPG automat
- Silnik:
- Lokalizacja: Warszawa
- Kontakt:
Re: Wspólny wskaźnik PB/LPG lekarstwem na opadający wsk. pal
Osobiście nie mam parcia na wskazania LPG !
Interesuje mnie w takim razie resetowanie tych informacji z szyny can
Interesuje mnie w takim razie resetowanie tych informacji z szyny can
- etac
- Prezes
- Posty: 24968
- Rejestracja: 4 sie 2013, o 00:31
- Reputacja: 300
- Imię: Krzysztof
- Samochód: Opel Astra L ST
- Silnik: 1.2T Pure Tech
- LPG: NIE
- Inny samochód: Yamaha X-MAX Tech Max
- Lokalizacja: SBE
- Kontakt:
Re: Wspólny wskaźnik PB/LPG lekarstwem na opadający wsk. pal
No to pisałem, przełączając sygnał dajemy mu informacje o zużywaniu paliwa, ale system nie wie czy to LPG czy PB, jest zadowolony z tego ze ma wskazania o ubywaniu tego w zbiorniku.
Lekcje prywatne są odpłatne, pytania na forum są darmowe
-
- Wymiatacz
- Posty: 1616
- Rejestracja: 9 sty 2014, o 16:53
- Reputacja: 35
- Imię: Czesław
- Samochód: Cruze1.8LT+Prem, LPG
- Silnik:
- Lokalizacja: Bielsko-B
- Kontakt:
Re: Wspólny wskaźnik PB/LPG lekarstwem na opadający wsk. pal
Robo! a czy masz lub miałeś montowany emulator poziomu paliwa?
Trzeba sprawdzić czy u Ciebie się sprawdzi 


-
- Profesjonalista
- Posty: 820
- Rejestracja: 28 cze 2015, o 14:31
- Reputacja: 0
- Imię: Robert
- Samochód: Orlando LPG automat
- Silnik:
- Lokalizacja: Warszawa
- Kontakt:
Re: Wspólny wskaźnik PB/LPG lekarstwem na opadający wsk. pal
Nie miałem nic montowanego w Czakramie w Warszawie coś wspominali ale na obietnicach się kończyło 

- wszim
- Zasłużony dla forum
- Posty: 15495
- Rejestracja: 10 paź 2013, o 22:04
- Reputacja: 146
- Imię: Wojtek
- Samochód: był orlando
- Silnik: 1.8 2H0 141KM (KL7)
- LPG: BRC SQ24
- Inny samochód: toyota RAV4 2.5 hybrid 4x4 222KM
- Lokalizacja: Nowy Sącz
- Kontakt:
Re: Wspólny wskaźnik PB/LPG lekarstwem na opadający wsk. pal
Dziś z okazji wydutkania zbiornika do cna miałem okazję odczytania ze sterownika BRC zakresu pełny-pusty. W moim zbiorniku wskazania są takie:
pusty: 39mV
pełny: 1036mV
pusty: 39mV
pełny: 1036mV

- wszim
- Zasłużony dla forum
- Posty: 15495
- Rejestracja: 10 paź 2013, o 22:04
- Reputacja: 146
- Imię: Wojtek
- Samochód: był orlando
- Silnik: 1.8 2H0 141KM (KL7)
- LPG: BRC SQ24
- Inny samochód: toyota RAV4 2.5 hybrid 4x4 222KM
- Lokalizacja: Nowy Sącz
- Kontakt:
Re: Co dziś zrobiłeś w swoim Chevi
W końcu korzystając z pełnego opróżnienia zbiornika LPG ponownie przystąpiłem do korekty nastaw wskazań rezerwy LPG w zbiorniku, bo wyszło że wcześniej zrobiłem to niezbyt dobrze.

-
- Profesjonalista
- Posty: 820
- Rejestracja: 28 cze 2015, o 14:31
- Reputacja: 0
- Imię: Robert
- Samochód: Orlando LPG automat
- Silnik:
- Lokalizacja: Warszawa
- Kontakt:
Re: Wspólny wskaźnik PB/LPG lekarstwem na opadający wsk. pal
Gdzie wpinales miernik aby zrobić pomiary 

- etac
- Prezes
- Posty: 24968
- Rejestracja: 4 sie 2013, o 00:31
- Reputacja: 300
- Imię: Krzysztof
- Samochód: Opel Astra L ST
- Silnik: 1.2T Pure Tech
- LPG: NIE
- Inny samochód: Yamaha X-MAX Tech Max
- Lokalizacja: SBE
- Kontakt:
Re: Wspólny wskaźnik PB/LPG lekarstwem na opadający wsk. pal
pewnie kupił sobie urządzenie diagnostyczne do LPG
Lekcje prywatne są odpłatne, pytania na forum są darmowe
- wszim
- Zasłużony dla forum
- Posty: 15495
- Rejestracja: 10 paź 2013, o 22:04
- Reputacja: 146
- Imię: Wojtek
- Samochód: był orlando
- Silnik: 1.8 2H0 141KM (KL7)
- LPG: BRC SQ24
- Inny samochód: toyota RAV4 2.5 hybrid 4x4 222KM
- Lokalizacja: Nowy Sącz
- Kontakt:
Re: Wspólny wskaźnik PB/LPG lekarstwem na opadający wsk. pal
Tak. Tzn sam interfejs bo urządzenie to PC z programem serwisowym BRC. Ono odczytuje napięcia czujnika poziomu paliwa więc nie trzeba mierzyć miernikiem.

-
- Wymiatacz
- Posty: 1616
- Rejestracja: 9 sty 2014, o 16:53
- Reputacja: 35
- Imię: Czesław
- Samochód: Cruze1.8LT+Prem, LPG
- Silnik:
- Lokalizacja: Bielsko-B
- Kontakt:
Re: Co dziś zrobiłeś w swoim Chevi
A jaki próg napięcia (mV/%) ustawiłeś aby rezerwa zaczęła migać 

Kto jest online
Użytkownicy przeglądający to forum: Obecnie na forum nie ma żadnego zarejestrowanego użytkownika i 1 gość