[Lacetti] Montaż tempomatu w T18SED

czyli jak samemu coś naprawić, coś usprawnić
GoLL@B
Profesjonalista
Posty: 585
Rejestracja: 18 sie 2014, o 19:06
Reputacja: 1
Imię: Krzysiek
Samochód: Daewoo Lacetti
Silnik:
Lokalizacja: W-w/Dz-n
Kontakt:

Re: [Lacetti] Montaż tempomatu w T18SED

Post autor: GoLL@B » 27 lip 2016, o 22:32

kjas9 pisze:Co do ikonek to wszystkie które sa narysowane(mają ikonki) na desce a nie podłączone mają sygnał z minusa
Ja u siebie planowałem dociągnąć przewodzik od kostki manetki, która jest w pobliżu (+) a minus wyprowadzić na masę gdzieś za licznikiem (czyli całkowicie obejść oryginalne zasilanie).

W manualu jest pokazane, żeby się podpiąć do jednego z pinów modułu tempomatu. Moje pytanie jest, co można na tym zyskać?

W tej chwili u mnie jest nieco inaczej w stosunku do opla, gdyż w Oplu zasilanie podawane jest cały czas - stały + (manetką robi się reset, klikając microswitch, po którym można dać set, podobnie jak po wciśnięciu sprzęgła czy wciśnięciu hamulca).

Oryginalna manetka z lacetti ma przycisk ON/OFF. Gdy jest w pozycji ON, moduł jest w stanie jak w Oplu. Różnica jest w kliknięciu Reset -> u nas aby osiągnąć ten sam stan trzeba by przycisk ON/OFF wycisnąć a potem wcisnąć.

Moje pytanie jest, czy ikonka tempomatu zaświeci się gdy faktycznie tempomat będzie włączony (pozycja ON) + dodatkowo kliknę SET - czyli zaprogramuję jakąś prędkość?

Jeśli tak, to chyba warto się pomęczyć by przeciągnąć jeszcze jeden kabelek.

kjas9
Profesjonalista
Posty: 910
Rejestracja: 26 sty 2015, o 22:31
Reputacja: 32
Imię: Krzysztof
Samochód: Cruze1,4 Sw LTZ+2012
Silnik: 1,4 T +chip 163 km
LPG: KME Skay Max
Lokalizacja: SO
Kontakt:

Re: [Lacetti] Montaż tempomatu w T18SED

Post autor: kjas9 » 28 lip 2016, o 22:17

U mnie gdy załączę tempomat ikonka się świeci gaśnie wtedy gdy nacisnę hamulec lub go wyłączę .
Lacetti 1,6 sx zmienione w cdx 2011-2019

kjas9
Profesjonalista
Posty: 910
Rejestracja: 26 sty 2015, o 22:31
Reputacja: 32
Imię: Krzysztof
Samochód: Cruze1,4 Sw LTZ+2012
Silnik: 1,4 T +chip 163 km
LPG: KME Skay Max
Lokalizacja: SO
Kontakt:

Re: [Lacetti] Montaż tempomatu w T18SED

Post autor: kjas9 » 24 paź 2016, o 20:35

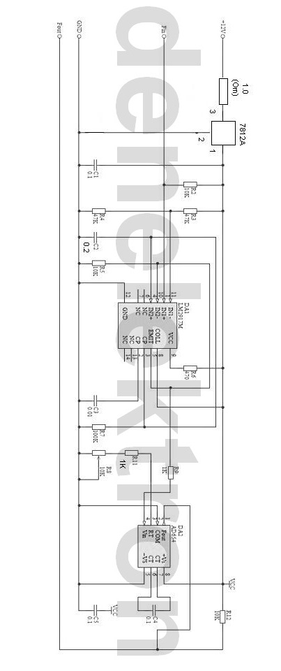
Cały czas nie dawał mi spokoju tempomat- czasami gdy jedzie się naście km z prędkością ok50k a nie można wyprzedzać to aż prosi się aby noga odpoczywała więc postanowiłem coś z tym zrobić .Zebrałem potrzebne elementy:
1.Scalak Lm2917 N-14 (8zł) Miał być lm2917M ale takiego nigdzie nie mogłem dostać
2.Scalak Ad 654JRZ (30zł)
3.gniazda pod wymienione przetworniki(4zł)
4.Kondensatory ceramiczne 100n 3szt 220n 1szt 10n 1szt
5.oporniki 1om-1;470om-1;-1kom-2;10kom-3;47kom-2;100kom-1.Ja kupiłem po 5szt w razie czego.
6.Potencjometr obrotowy 10kom
7.Stabilizator napięcia L7812V
8.płytka uniwersalna.
Ponieważ jestem totalnym ignorantem w sprawach elektroniki musiałem zacząć od podstaw i nauczyć się czytać schematy aby zrozumieć połączenia, płytki drukowanej też nie umiem zrobić więc pozostało mi robić starym sposobem .Nie wygląda to profesjonalnie ale działa więc
jestem zadowolony.
Tak wygląda w środku pajęczynahttp://forum.chevroletteampoland.com/posting.php?mode=reply&f=138&t=166#
Tak wygląda w środku pajęczynahttp://forum.chevroletteampoland.com/posting.php?mode=reply&f=138&t=166#
mój-moduł.gif (451.2 KiB) Przejrzano 8750 razy
A tak w obudowie
A tak w obudowie
mój-moduł.gif2.gif (297.68 KiB) Przejrzano 8750 razy
Korzystałem ze schematu który już wcześniej podawałem
mnożnik impulsów.jpg
mnożnik impulsów.jpg (61.78 KiB) Przejrzano 8750 razy
Dodatkowo podpatrywałem na gotową płytkę profesjonalisty pod smd
płytka  mnożnika.jpg
płytka mnożnika.jpg (97.28 KiB) Przejrzano 8750 razy
Teraz tempomat działa od prędkości ok23-5km/h trzeba go tylko dokładnie dostroić potencjometrem od850-950Om bez stałej częstotliwości na wzór na wejściu jest to czasochłonne . Czekam na generator częstotliwości fali prostokątnej ustawię go na 100hz podłączę sygnał do wejscia mnożnika a na wyjściu wtedy ustawię potencjometrem 300hz czyli 3 razy większy(chyba rozumuję poprawnie jeżeli nie to poprawcie mnie)
Takie częstotliwości znalazłem dla tempomatów z opla:
98HZ = 23км\ч
265HZ = 60км\ч
350HZ = 80км\ч
430HZ = 100км\ч
565HZ = 130км\ч
850HZ = 195км\ч
954HZ = 220км\ч

Teraz czas na testy w praktyce.
Lacetti 1,6 sx zmienione w cdx 2011-2019

Awatar użytkownika
wszim
Zasłużony dla forum
Posty: 15495
Rejestracja: 10 paź 2013, o 22:04
Reputacja: 146
Imię: Wojtek
Samochód: był orlando
Silnik: 1.8 2H0 141KM (KL7)
LPG: BRC SQ24
Inny samochód: toyota RAV4 2.5 hybrid 4x4 222KM
Lokalizacja: Nowy Sącz
Kontakt:

Re: [Lacetti] Montaż tempomatu w T18SED

Post autor: wszim » 24 paź 2016, o 20:58

Słowa uznania. :tak: :ok:
Obrazek Nie bądź obojętny na wojnę w Ukrainie.

kjas9
Profesjonalista
Posty: 910
Rejestracja: 26 sty 2015, o 22:31
Reputacja: 32
Imię: Krzysztof
Samochód: Cruze1,4 Sw LTZ+2012
Silnik: 1,4 T +chip 163 km
LPG: KME Skay Max
Lokalizacja: SO
Kontakt:

Re: [Lacetti] Montaż tempomatu w T18SED

Post autor: kjas9 » 24 paź 2016, o 21:05

Dzięki.
Lacetti 1,6 sx zmienione w cdx 2011-2019

Awatar użytkownika
XaRaDaS
Zasłużony dla forum
Posty: 7705
Rejestracja: 20 sie 2013, o 11:17
Reputacja: 9
Imię: Andrzej
Samochód: Orlando LTZ
Silnik: 1.8 2H0, 141 KM, benz.
Lokalizacja: WX
Kontakt:

Re: [Lacetti] Montaż tempomatu w T18SED

Post autor: XaRaDaS » 25 paź 2016, o 09:55

A ja nie mogę się zebrać do zakupu i montażu {:/
Nie dyskutuj z debilem. Najpierw sprowadzi Cię do swojego poziomu, a potem pokona doświadczeniem...

mateuszf
Świeżak
Posty: 3
Rejestracja: 26 cze 2017, o 22:51
Reputacja: 0
Imię: Mateusz
Samochód: Nubira
Silnik:
Lokalizacja: Paleśnica
Kontakt:

Re: [Lacetti] Montaż tempomatu w T18SED

Post autor: mateuszf » 12 lip 2017, o 18:40

Szukam już jakiś czas i nie wiem jednego... Skąd dokładnie bierzecie sygnał prędkości VSS? W oplu jest podobno z ABS-u, co to znaczy? Bezpośrednio z czujnika przy jednym z kół?
Wiem ze schematu że sygnał VSS trafia do pinu B5 w liczniku oraz do k6 w sterowniku silnika.
Dodam że mam silnik 1,8 i automatyczną skrzynię.

gacek1234
Świeżak
Posty: 1
Rejestracja: 28 maja 2020, o 16:54
Reputacja: 0
Imię: Marcin
Samochód: Lacetti
Silnik: 1.8, 122KM
LPG: TAK BRC
Lokalizacja: Łódź
Kontakt:

Re: [Lacetti] Montaż tempomatu w T18SED

Post autor: gacek1234 » 28 maja 2020, o 17:00

Witam,

Wczoraj siostra zakupiła Lacetti 1.8. W schowku znalazłem niezałożoną manetkę od tempomatu i zastanawiam się, czy jest możliwość "łatwego" uruchomienia tempomatu w tym samochodzie. Słyszałem, że w przypadku bodajże Oplów wystarczy właśnie wymienić manetkę od kierunkowskazów na taką, która włącza tempomat, zmienić ustawienia komputera i już działa. Pytanie jest, czy w Lacetti działa to podobnie? Dodam, że na kierownicy ewidentnie jest miejsce na umieszczenie tej manetki, tylko w tej chwili jest tam zaślepka.

Z góry dziękuję za odpowiedź i pozdrawiam :)

Awatar użytkownika
bubu1769
Administrator
Posty: 6869
Rejestracja: 5 wrz 2018, o 16:40
Reputacja: 457
Imię: Bartłomiej
Samochód: Aveo T250
Silnik: 1.4 101KM
Inny samochód: Orlando 1.4T, Meriva A 1.8
Lokalizacja: Kalisz
Kontakt:

Re: [Lacetti] Montaż tempomatu w T18SED

Post autor: bubu1769 » 24 sie 2020, o 09:14

Wszystko zależy jakie mamy sterowanie silnika.
Jeśli przepustnica jest na linkę to trzeba montować mechaniczny tempomat tak jak jest opisane w tym temacie, w przypadku elektrycznej przepustnicy kwestią jest podłączenie manetki oraz brakujących czujników do sterownika silnika bo nie zawsze też jest instalacja pod takowe, oraz aktywacja tempomatu, ja tak miałem w Vectrze B z silnikiem Z16XE.

kjas9
Profesjonalista
Posty: 910
Rejestracja: 26 sty 2015, o 22:31
Reputacja: 32
Imię: Krzysztof
Samochód: Cruze1,4 Sw LTZ+2012
Silnik: 1,4 T +chip 163 km
LPG: KME Skay Max
Lokalizacja: SO
Kontakt:

Re: [Lacetti] Montaż tempomatu w T18SED

Post autor: kjas9 » 24 sie 2020, o 16:06

Tempomat w Lacetti był montowany tylko w wersjach cdx z silnikiem diesla.W pozostałych wersjach została zaślepka.Niestety trzeba przerabiać orginalną manetkę i wstawiać tempomat z vectry .Co ciekawe w planach było opcjonalne sterowanie telefonem zamiast tempomatu, bo takie manetki też są.
Lacetti 1,6 sx zmienione w cdx 2011-2019

Awatar użytkownika
skull
Stały bywalec
Posty: 248
Rejestracja: 5 gru 2016, o 15:04
Reputacja: 41
Imię: Michał
Samochód: Chevrolet Lacetti SW
Silnik: F16D3
LPG: BRC SQ24
Lokalizacja: Ostrołęka
Kontakt:

Re: [Lacetti] Montaż tempomatu w T18SED

Post autor: skull » 27 sie 2020, o 15:32

chodzi o to ?
Obrazek

jest jeszcze opcja w manetce
Obrazek

kjas9
Profesjonalista
Posty: 910
Rejestracja: 26 sty 2015, o 22:31
Reputacja: 32
Imię: Krzysztof
Samochód: Cruze1,4 Sw LTZ+2012
Silnik: 1,4 T +chip 163 km
LPG: KME Skay Max
Lokalizacja: SO
Kontakt:

Re: [Lacetti] Montaż tempomatu w T18SED

Post autor: kjas9 » 27 sie 2020, o 15:58

Tak to jest prawa,orginalna ,tej przy kierownicy nie miałem okazji testować.
Lacetti 1,6 sx zmienione w cdx 2011-2019

Awatar użytkownika
etac
Prezes
Posty: 24968
Rejestracja: 4 sie 2013, o 00:31
Reputacja: 300
Imię: Krzysztof
Samochód: Opel Astra L ST
Silnik: 1.2T Pure Tech
LPG: NIE
Inny samochód: Yamaha X-MAX Tech Max
Lokalizacja: SBE
Kontakt:

Re: [Lacetti] Montaż tempomatu w T18SED

Post autor: etac » 27 sie 2020, o 16:35

Ta w manetce jest tylko na US, gdyż auta tam nie mają tylnego halogena.
Lekcje prywatne są odpłatne, pytania na forum są darmowe

Jpiasz
Świeżak
Posty: 11
Rejestracja: 20 wrz 2020, o 19:11
Reputacja: 0
Imię: Janusz
Samochód: Nubira
Silnik: 1,8 16v 121KM benzyna F18D3
LPG: tak; STAG
Lokalizacja: K...o
Kontakt:

Re: [Lacetti] Montaż tempomatu w T18SED

Post autor: Jpiasz » 28 wrz 2020, o 17:22

skull pisze:
27 sie 2020, o 15:32
chodzi o to ?
Obrazek

jest jeszcze opcja w manetce
Obrazek
Mam pytanie gdzie można kupić taki tempomat do kierownicy? Ten z górnego zdjęcia.

Awatar użytkownika
bubu1769
Administrator
Posty: 6869
Rejestracja: 5 wrz 2018, o 16:40
Reputacja: 457
Imię: Bartłomiej
Samochód: Aveo T250
Silnik: 1.4 101KM
Inny samochód: Orlando 1.4T, Meriva A 1.8
Lokalizacja: Kalisz
Kontakt:

Re: [Lacetti] Montaż tempomatu w T18SED

Post autor: bubu1769 » 28 wrz 2020, o 18:03

Trzeba szukać, czasami się zdarzają na Allegro.

kjas9
Profesjonalista
Posty: 910
Rejestracja: 26 sty 2015, o 22:31
Reputacja: 32
Imię: Krzysztof
Samochód: Cruze1,4 Sw LTZ+2012
Silnik: 1,4 T +chip 163 km
LPG: KME Skay Max
Lokalizacja: SO
Kontakt:

Re: [Lacetti] Montaż tempomatu w T18SED

Post autor: kjas9 » 28 wrz 2020, o 19:28

Mam taki na zbyciu,i przerobiony pod tempomat z opla ,został bo nie zdążyłem zamontować .Tutaj opis przeróbki.
https://www.drive2.ru/l/8198354/.
Jak by co to pisz na priv.
Lacetti 1,6 sx zmienione w cdx 2011-2019

Awatar użytkownika
skull
Stały bywalec
Posty: 248
Rejestracja: 5 gru 2016, o 15:04
Reputacja: 41
Imię: Michał
Samochód: Chevrolet Lacetti SW
Silnik: F16D3
LPG: BRC SQ24
Lokalizacja: Ostrołęka
Kontakt:

Re: [Lacetti] Montaż tempomatu w T18SED

Post autor: skull » 29 wrz 2020, o 08:18

Jpiasz pisze:
28 wrz 2020, o 17:22


Mam pytanie gdzie można kupić taki tempomat do kierownicy? Ten z górnego zdjęcia.
O ile pamiętam to albo zamówiłem w Potak-u albo trafiłem nowy na allegro - u mnie służy (po małej przeróbce) do sterowania komputerem pokładowym

Awatar użytkownika
Sebastian
Moderator
Posty: 4008
Rejestracja: 12 sie 2013, o 22:45
Reputacja: 51
Imię: Sebastian
Samochód: 2x Lacetti 1.4&1.6
Silnik:
Lokalizacja: Ruda Śląska
Kontakt:

Re: [Lacetti] Montaż tempomatu w T18SED

Post autor: Sebastian » 4 sty 2023, o 20:39

Jako, że ostatnio zbieram się do montażu tempomatu, to zlokalizowałem numery wtyczek które są potrzebne. Jako , że dopiero wtyczki zamówiłem, to PRAWDOPODOBNIE one będą pasować, ale póki co nie mam 100% pewności, potwierdzę gdy będzie działać :P :
Wtyczka do tempomatu z opla: 12045808 12177081 12065425
Wtyczka do zwijaka: MG641053 MG651050

Zakupy najlepiej dokonać na aliexpress.
Serwisowanie, naprawa, montaż: klimatyzacji, wentylacji, systemów ogrzewania - kontakt PW.

ODPOWIEDZ

Wróć do „Lacetti/Nubira Manuale”

Kto jest online

Użytkownicy przeglądający to forum: Obecnie na forum nie ma żadnego zarejestrowanego użytkownika i 1 gość