[Spark M300] Wyłączenie świateł mijania

czyli jak samemu coś naprawić, coś usprawnić
ODPOWIEDZ
Awatar użytkownika
etac
Prezes
Posty: 24968
Rejestracja: 4 sie 2013, o 00:31
Reputacja: 300
Imię: Krzysztof
Samochód: Opel Astra L ST
Silnik: 1.2T Pure Tech
LPG: NIE
Inny samochód: Yamaha X-MAX Tech Max
Lokalizacja: SBE
Kontakt:

[Spark M300] Wyłączenie świateł mijania

Post autor: etac » 9 mar 2014, o 16:31

Po kilku próbach szukania po schematach zdecydowałem się na rozwiązanie bardziej radykalne - ingerencja w elektrykę.

Przyczyna jest skrzynka bezpieczników, która ma zabudowaną w sobie funkcje tzw świateł do jazdy dziennych, a kupno nowej luz używanej to zbyt duży wydatek.

Oto rozwiązanie:

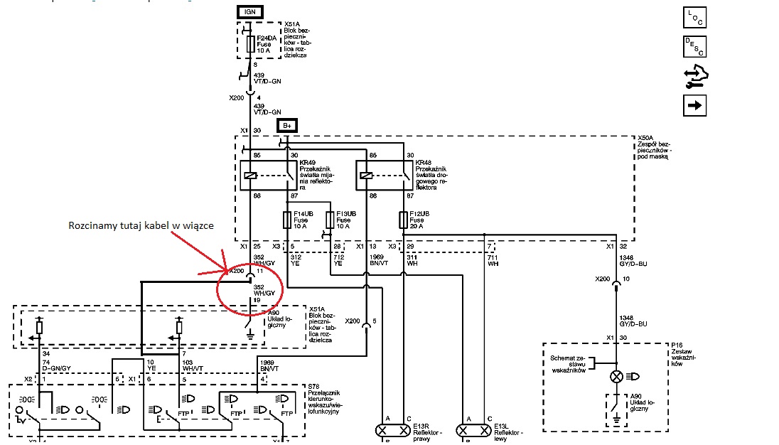
Schemat elektryczny świateł postojowych i miejsce działań:
postojowe spark.jpg
postojowe spark.jpg (168.65 KiB) Przejrzano 10471 razy
BN/VT - brązowo/fioletowy
D-GN/GY - ciemno zielony/szary

Schemat elektryczny świateł mijania i miejsce działań:
mijania spark.jpg
mijania spark.jpg (138.13 KiB) Przejrzano 10471 razy
WH/VT - biało/fioletowy
WH/GY - biało/szay

X51A.jpg
X51A.jpg (112.89 KiB) Przejrzano 10464 razy
A wszystko jest schowane tutaj:
WP_000377_1.jpg
WP_000377_1.jpg (84.77 KiB) Przejrzano 10471 razy
A potem pocięte kabelki
WP_000376_1.jpg
WP_000376_1.jpg (97.55 KiB) Przejrzano 10471 razy
Efekt końcowy:
- światła mijania można sterować i wyłączyć po uruchomieniu silnika


UWAGA:
Po wyjęciu kluczyka nie gasną światła postojowe, więc trzeba pamiętać o ich wyłączeniu. Planuje podłączyć jakiś przekażnik zwłoczny który będzie wyłączał napięcie po wyjęciu kluczyka

Następny etap -> światła do jazdy dziennej.
Lekcje prywatne są odpłatne, pytania na forum są darmowe

Maniek

Re: [Spark M300] Wyłączenie świateł mijania

Post autor: Maniek » 9 mar 2014, o 18:55

A nie można po prostu tego przeprogramować ??
Ja nie mam żadnych problemów ze światłami mijania w swoim sparku, normalnie mogę włączać i wyłączać kiedy mi się chce, więc skoro w jednym sparku jest tak a w drugim inaczej to pewnie jest to sprawa programowa.
Kiedyś jak pracowałem w ASO Peugeota to tam takie rzeczy robiło się programowo.

Awatar użytkownika
etac
Prezes
Posty: 24968
Rejestracja: 4 sie 2013, o 00:31
Reputacja: 300
Imię: Krzysztof
Samochód: Opel Astra L ST
Silnik: 1.2T Pure Tech
LPG: NIE
Inny samochód: Yamaha X-MAX Tech Max
Lokalizacja: SBE
Kontakt:

Re: [Spark M300] Wyłączenie świateł mijania

Post autor: etac » 9 mar 2014, o 19:34

Maniek, właśnie ze się nie da przeprogramować.

Problem jest ten ze ktoś znowu w centrali wymyślił sobie tak jak innych Chevroletach żeby zablokować w Polsce funkcje wyłączania świateł i produkuje kilka rodzajów skrzynek bezpieczników taka jak ta:

Obrazek

Sprawdzone w ASO i nie tylko pytaniem się doradcy, tylko sam próbując dostać aprobatę zmiany oprogramowania. Problem jest jak wcześniej pisałem ze w Spark nie ma modułu programowalnego tylko funkcja ta jest robiona hardwerowo.

Czyli pewnie wystarczy podmienić ten moduł z samochodu z Francji, Hiszpanii lub Grecji i nie było by trzeba ciąć kabli. Problem drugi ze za taki moduł na alledrogo chcą 200-300 zł.
Lekcje prywatne są odpłatne, pytania na forum są darmowe

Maniek

Re: [Spark M300] Wyłączenie świateł mijania

Post autor: Maniek » 10 mar 2014, o 16:07

I co raz bardziej się przekonuję, że dobrze zrobiłem kupując auto z Niemiec.

Awatar użytkownika
etac
Prezes
Posty: 24968
Rejestracja: 4 sie 2013, o 00:31
Reputacja: 300
Imię: Krzysztof
Samochód: Opel Astra L ST
Silnik: 1.2T Pure Tech
LPG: NIE
Inny samochód: Yamaha X-MAX Tech Max
Lokalizacja: SBE
Kontakt:

Re: [Spark M300] Wyłączenie świateł mijania

Post autor: etac » 23 mar 2014, o 12:13

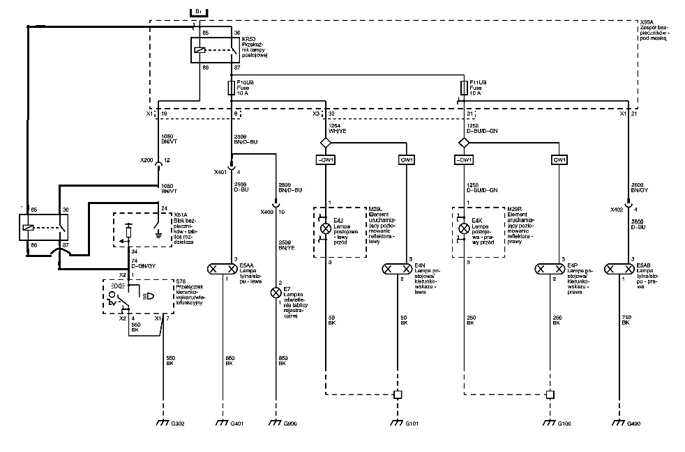
Mały update:

Poprzedni układ powodował, ze po wyjęciu kluczyka z włączonymi światłami, żarówki postojowe nie gasły. Co mogło powodować pewne niedogodności.

Wstawiłem dodatkowy przekaźnik w miejsce układu sterowania.

Układ po zmianach:
swiatla postojowe update.jpg
swiatla postojowe update.jpg (112.75 KiB) Przejrzano 10409 razy
Lekcje prywatne są odpłatne, pytania na forum są darmowe

mlody15568
Świeżak
Posty: 2
Rejestracja: 25 kwie 2021, o 16:35
Reputacja: 0
Imię: leszek
Samochód: Chevrolet
Silnik: 1.0
LPG: nie
Lokalizacja: Szczebrzeszyn
Kontakt:

Re: [Spark M300] Wyłączenie świateł mijania

Post autor: mlody15568 » 25 kwie 2021, o 16:37

Witam a mógł byś opisac dokladnie jakie kable trzeba polaczyc a ktore trzeba ominac bo nie czaje w tym schemacie a na zdjeciu slabo widac

Awatar użytkownika
etac
Prezes
Posty: 24968
Rejestracja: 4 sie 2013, o 00:31
Reputacja: 300
Imię: Krzysztof
Samochód: Opel Astra L ST
Silnik: 1.2T Pure Tech
LPG: NIE
Inny samochód: Yamaha X-MAX Tech Max
Lokalizacja: SBE
Kontakt:

Re: [Spark M300] Wyłączenie świateł mijania

Post autor: etac » 25 kwie 2021, o 18:33

Moja propozycja jest taka: skoro schemat i zdjęcia ci nie pomagają to nie zaczynaj tej pracy sam.
Lekcje prywatne są odpłatne, pytania na forum są darmowe

mlody15568
Świeżak
Posty: 2
Rejestracja: 25 kwie 2021, o 16:35
Reputacja: 0
Imię: leszek
Samochód: Chevrolet
Silnik: 1.0
LPG: nie
Lokalizacja: Szczebrzeszyn
Kontakt:

Re: [Spark M300] Wyłączenie świateł mijania

Post autor: mlody15568 » 26 kwie 2021, o 18:59

Witam pomocy!!!! za późno, kabelki pocięte i jest masakra. Jakby ktoś opisal krok po kroku które kable z którymi połączyć bo jest naprawdę źle, albo numer telefonu???
:nerwy
Ostatnio zmieniony 26 kwie 2021, o 19:02 przez bubu1769, łącznie zmieniany 1 raz.
Powód: Polskie znaki i interpunkcja.

Awatar użytkownika
bubu1769
Administrator
Posty: 6869
Rejestracja: 5 wrz 2018, o 16:40
Reputacja: 457
Imię: Bartłomiej
Samochód: Aveo T250
Silnik: 1.4 101KM
Inny samochód: Orlando 1.4T, Meriva A 1.8
Lokalizacja: Kalisz
Kontakt:

Re: [Spark M300] Wyłączenie świateł mijania

Post autor: bubu1769 » 26 kwie 2021, o 19:04

Skoro już pociąłeś instalację i narobiłeś bałaganu to nikt zdalnie raczej ci pomoże.
Zgłoś się do kogoś kto potrafi czytać schematy to ci to ogarnie.

ODPOWIEDZ

Wróć do „Spark Manuale”

Kto jest online

Użytkownicy przeglądający to forum: Obecnie na forum nie ma żadnego zarejestrowanego użytkownika i 1 gość